EasyManua.ls Logo

Hussmann CRFD - Page 15

Hussmann CRFD
29 pages
Print Icon
To Next Page IconTo Next Page
To Next Page IconTo Next Page
To Previous Page IconTo Previous Page
To Previous Page IconTo Previous Page
Loading...
Rev. 0508
15
DATE:
PROJECT TITLE:
DRAWING #:
DRAWN BY:
PRODUCTION ORDER #:
DRAWING TITLE:
DATE:
Hussmann Corporation, Int'l.
13770 Ramona Avenue
Chino, CA. 91710
(909)-590-4910 Lic.#: 644406
REVISIONS:
#: DESCRIPTION:
CHECKED BY:
BY:
FILE LOCATION:
D.QUAN
---
PAGE OF1
2
10/10/05
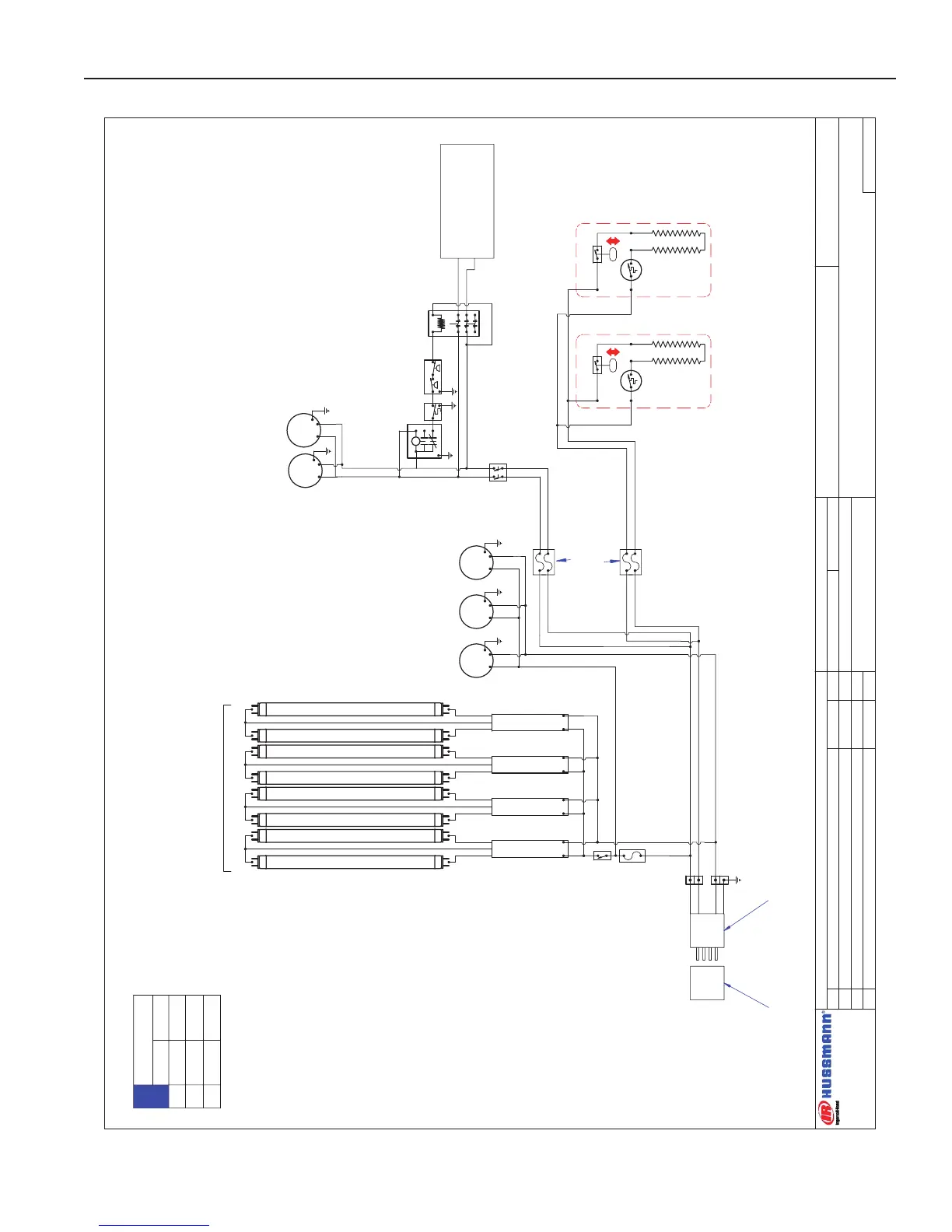
CRFD 7'-4" -360-BACK TO BACK
W0400010
CRFD 7'-4" FLORAL REFRIGERATED CASE
THIS IS CASE 1 OF 2
LIGHT SWITCH
125-01-0307
CANOPY LIGHTING
(8) F32T8-48" LAMP
125-03-1073
(4) LIGHT FIXTURE
125-02-1082
TERMINAL
BLOCK
125-01-0295
SAFETY
SWITCH
FLOAT SWITCH
SAFETY
SWITCH
FLOAT SWITCH
POWER: ~ 208 / 240 VAC - 60 HZ.
EVAPORATOR FAN MOTOR
15 AMP FUSE
125-01-8604
FUSE HOLDER
125-01-8605
125-01-8510
NEMA L14-60P
MALE PLUG
125-01-8514
NEMA L14-60R
FEMALE PLUG
L1
L2
N
G
NOTE:
1. USE
RECEPTACLE
MOUNTING PLATE
PART NUMBER
125-01-8515
WHITE-14 AWG
BLACK-12 AWG
BLACK-12 AWG
BLACK-8 AWG
BLACK-14 AWG
WHITE-14 AWG
RED-8 AWG
BLACK-12 AWG
RED-12 AWG
RED-12 AWG
RED-12 AWG
RED-12 AWG
BLACK-12 AWG
BLK-14 AWG
WHITE-14 AWG
T
X
4
N
3
1
2
DEFROST TIMER
PARAGON 8045-20
~208 V - 60 Hz.
125-01-0715
PRESSURE
SAFETY
T-STAT
M M M
FIXTURE LITHONIA
C232 125-02-1082
FIXTURE LITHONIA
C232 125-02-1082
FIXTURE LITHONIA
C232 125-02-1082
FIXTURE LITHONIA
C232 125-02-1082
CONDENSING UNIT
COPELAND F9AD-B225-CFV-140
RLA= 16.9A 3304W
MCC= 24.4A
225-03-0111A
L2
L1
CONDENSING UNIT
Compressor
Motor Switch
125-01-0271
EVAP PAN 2000W
8.3A @ 240VAC
125-01-0500
EVAP PAN 2000W
8.3A @ 240VAC
125-01-0500
(4) 20 AMP FUSE
125-01-8537
(4) FUSE HOLDER
125-01-8612
LIGHT CIRCUIT= 2.37A, 256W
FAN MOTORS
(3) GE-9W CW W
125-01-0615A
.6A @ 120VAC
GREEN # 8
M
M
CONDENSER
FAN MOTOR
208V 1 PHASE
CIRCUIT # 1
A Updated dwg; revised load ratings; replaced fuses 9/4/07 JR
CIRCUIT #1
NOTE: CASE MUST
BE GROUNDED
37.7
33.5
35.5
31.3
L1
L2
L3
208 V 240 V
LOADING
7587W @ 240VAC
6591W @ 220VAC
Wiring Diagrams (Cont'd)

Other manuals for Hussmann CRFD

Related product manuals