EasyManua.ls Logo

Hussmann CRFD - Page 25

Hussmann CRFD
29 pages
Print Icon
To Next Page IconTo Next Page
To Next Page IconTo Next Page
To Previous Page IconTo Previous Page
To Previous Page IconTo Previous Page
Loading...
Rev. 0508
25
DATE:
PROJECT TITLE:
DRAWING #:
DRAWN BY:
PRODUCTION ORDER #:
DRAWING TITLE:
DATE:
Hussmann Corporation, Int'l.
13770 Ramona Avenue
Chino, CA. 91710
(909)-590-4910 Lic.#: 644406
REVISIONS:
#: DESCRIPTION:
CHECKED BY:
BY:
FILE LOCATION:
JESSE RIOS
PAGE OF1
1
8/17/07
W0400020
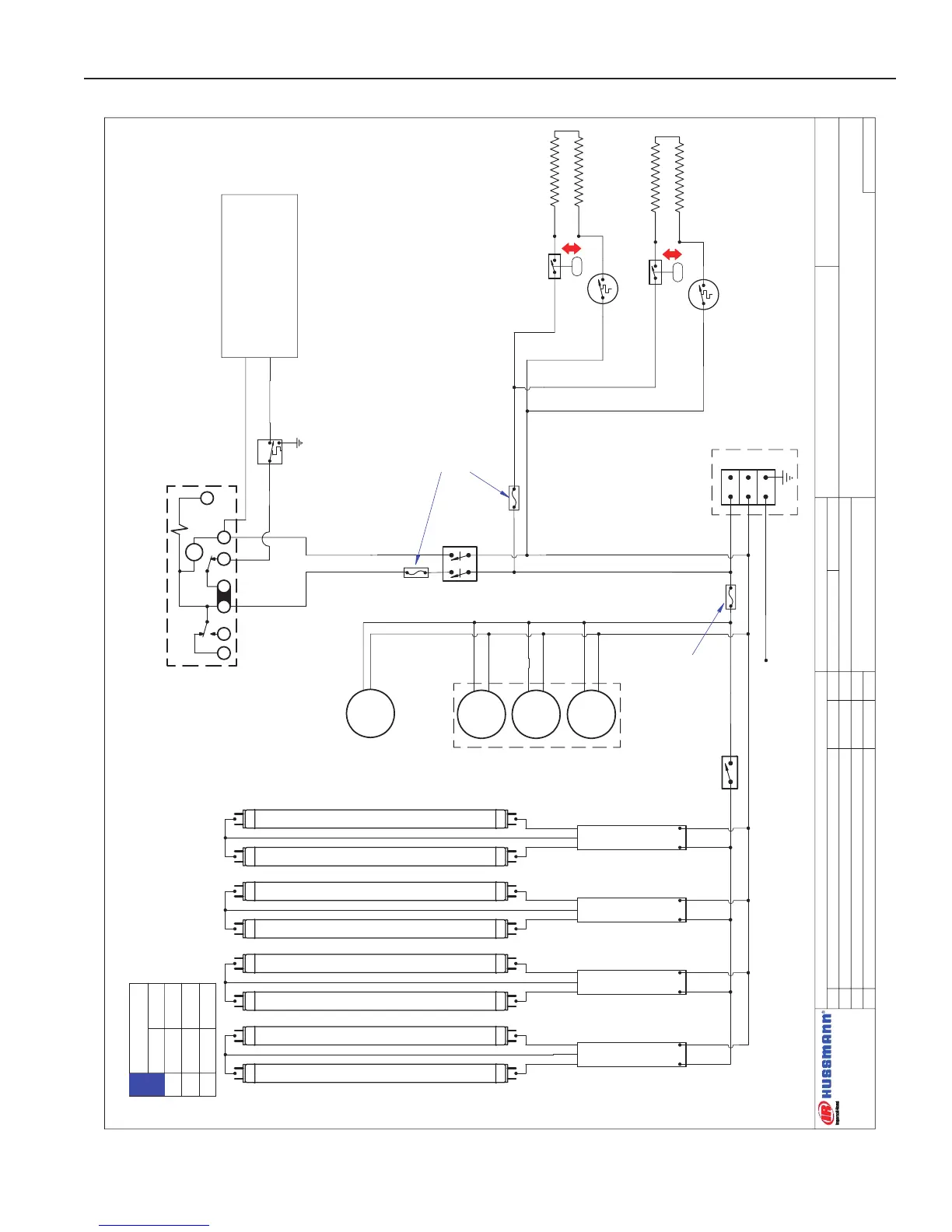
MOTOR
CANOPY LIGHTS
LYTHONIA FIXTURES
MOTOR
MOTOR
Compressor
Motor Switch
125-01-0271
LIGHTS
Toggle Switch
125-01-0307
(3) Evaporator Fans
motor #125-01-3076
.33A 9W @ 230VAC
N
L1
G
J-BOX
~220V-240V,1Ø,50Hz
FIXTURE LITHONIA
C232 125-02-1082
FIXTURE LITHONIA
C232 125-02-1082
FIXTURE LITHONIA
C232 125-02-1082
FIXTURE LITHONIA
C232 125-02-1082
(8) F32T8-SPX-30 LAMPS
EVAP PAN 2000W
8.3A @ 240VAC
125-01-0500
CONDENSATE EVAP. PAN
SAFETY
SWITCH
FLOAT SWITCH
DT 140digi 20-240
125-01-0717
N
RELAY
RELEASE
TIME
T
1 2
X
4F 3
EVAP PAN 2000W
8.3A @ 240VAC
125-01-0500
CONDENSATE EVAP. PAN
SAFETY
SWITCH
FLOAT SWITCH
BROWN #8
BLUE #8
BRN #8
BLUE #8
GREEN/YELLOW STRIPED #8
BRN #14
BROWN #14
BLUE #14
T-STAT
225-01-2010
CONDENSING UNIT
COPELAND FJAM-A325-CFZ-320
225-03-7511
RLA= 15.4A 3142W
MCC= 25.1A
LRA= 75.9 A
L2
L1
CONDENSING UNIT
LIGHT CIRCUIT= 2.2A, 238W
BRN #12
BLUE #12
15 AMP FUSE
125-01-8604
FUSE HOLDER
125-01-8605
(2)20 AMP FUSE
125-01-8537
(2)FUSE HOLDER
125-01-3285
BROWN #14
BLUE #14
BROWN #12
BLUE #12
Condensate Drying Fan
.33A 9W @ 230VAC
125-01-3076
MOTOR
Floral Refrigerated Case ~220V-50Hz
CRFD 7'-4" ~220V Unit Wiring Diagram
CIRCUIT #1
7407W @ 240VAC
6493W @ 220VAC
35.5
34.1
L1
220V 240V
LOADING
NOTE:
CASE MUST
BE GROUNDED
Wiring Diagrams (Cont'd)

Other manuals for Hussmann CRFD

Related product manuals