EasyManua.ls Logo

Hussmann ISFGG - ISFG;GG-5 D;G & 10 D;G Wiring Diagram

Hussmann ISFGG
33 pages
Print Icon
To Previous Page IconTo Previous Page
To Previous Page IconTo Previous Page
Loading...
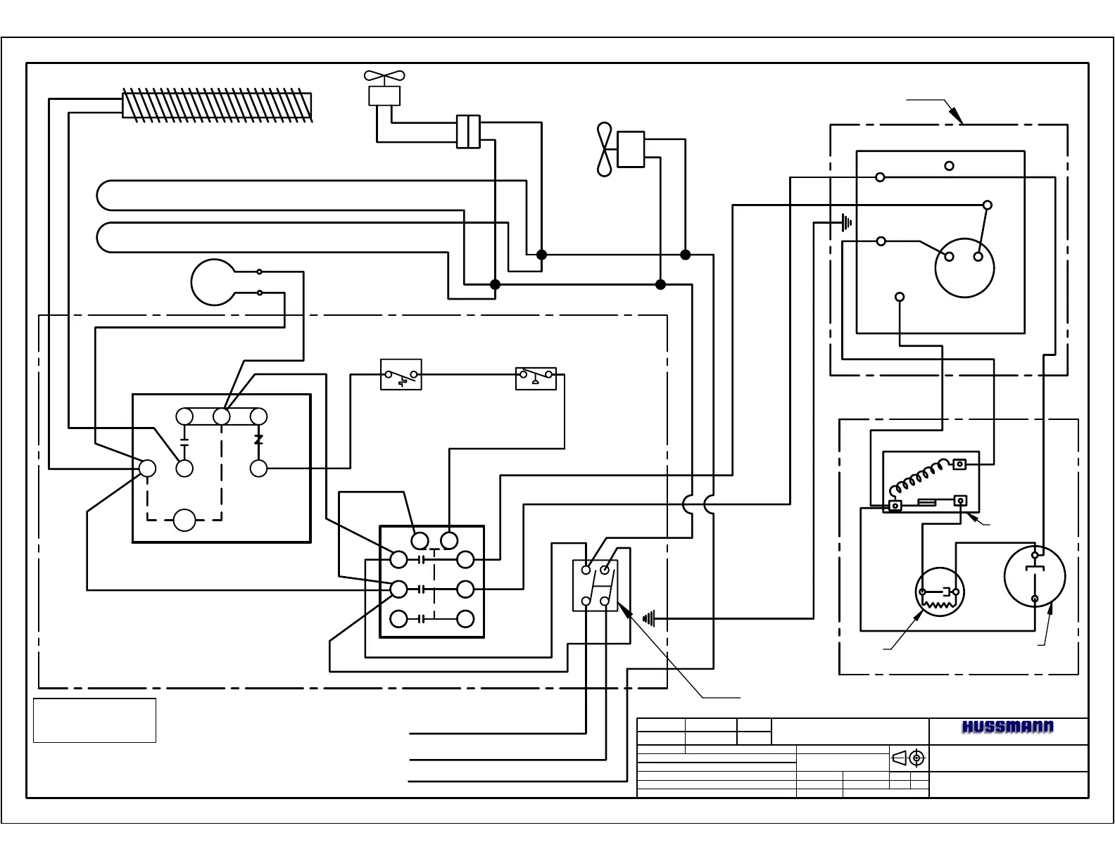
M100-2300
WIRING DIAGRAM-ISFGG-5 & 10 D/G
GLOVERSVILLE, NY 12078
REV EO # REV DATE REV BY
APPROVED BY
EO NUMBER
SCALE
SHEET #
DRAWN BY:
DATE DRAWN :
APPROVED BY:
-
JJH
XX/XX/2001
-
INCHES
1 OF 1
--
-
-
-
-
-
-
-
TOLERANCES UNLESS OTHERWISE SPECIFIED: FRACTIONAL 1/32"
DECIMAL 0.031" ANGULAR 1° HOLE LOCATION & SPACING 1/64"
x
1
2
4
3
N
L1
L2
L3
T1
T2
T3
LOW TEMP
THERMOSTAT
HIGH PRESSURE
SAFETY CONTROL
CONTACTOR
TIMER
CONDENSATE
PAN HEATER
EVAPORATOR
FAN
M
DISCHARGE NOSING ANTI-SWEAT HEATER
ELECTRICAL BOX
PWR SWITCH
BLACK LINE1
WHITE NETURAL
BLACK LINE2
BLUE
BLK
BLK
WHT
WHT
BLK
BLK
BLK
BLK
BLK
BLK
USAGE: ISFG/GG-5 D/G & 10D/G
ISCG/GG-5 D/G
208/230
60 Hz
1 Ph
NOTE: USE COPPER,COPPER CLAD,
OR ALUMINUM
CONDUCTORS ONLY.
R
1
2
C
S
2
5
1
YELLOW
BLACK
RED
POTENTIAL
RELAY
RUN
CAPACITOR
START
CAPACITOR
YELLOW
RED
BLUE
3/4 HP COMPRESSOR MOTOR
GRN
BLK
CONDENSER
FAN
FRONT/SIDE GLASS ANTI-SWEAT HEATER
DEFROST HEATER
BLK
BLUE
c
c

Related product manuals