EasyManua.ls Logo

HygroMatik CompactLine - Page 31

HygroMatik CompactLine
66 pages
Print Icon
To Next Page IconTo Next Page
To Next Page IconTo Next Page
To Previous Page IconTo Previous Page
To Previous Page IconTo Previous Page
Loading...
Page 31
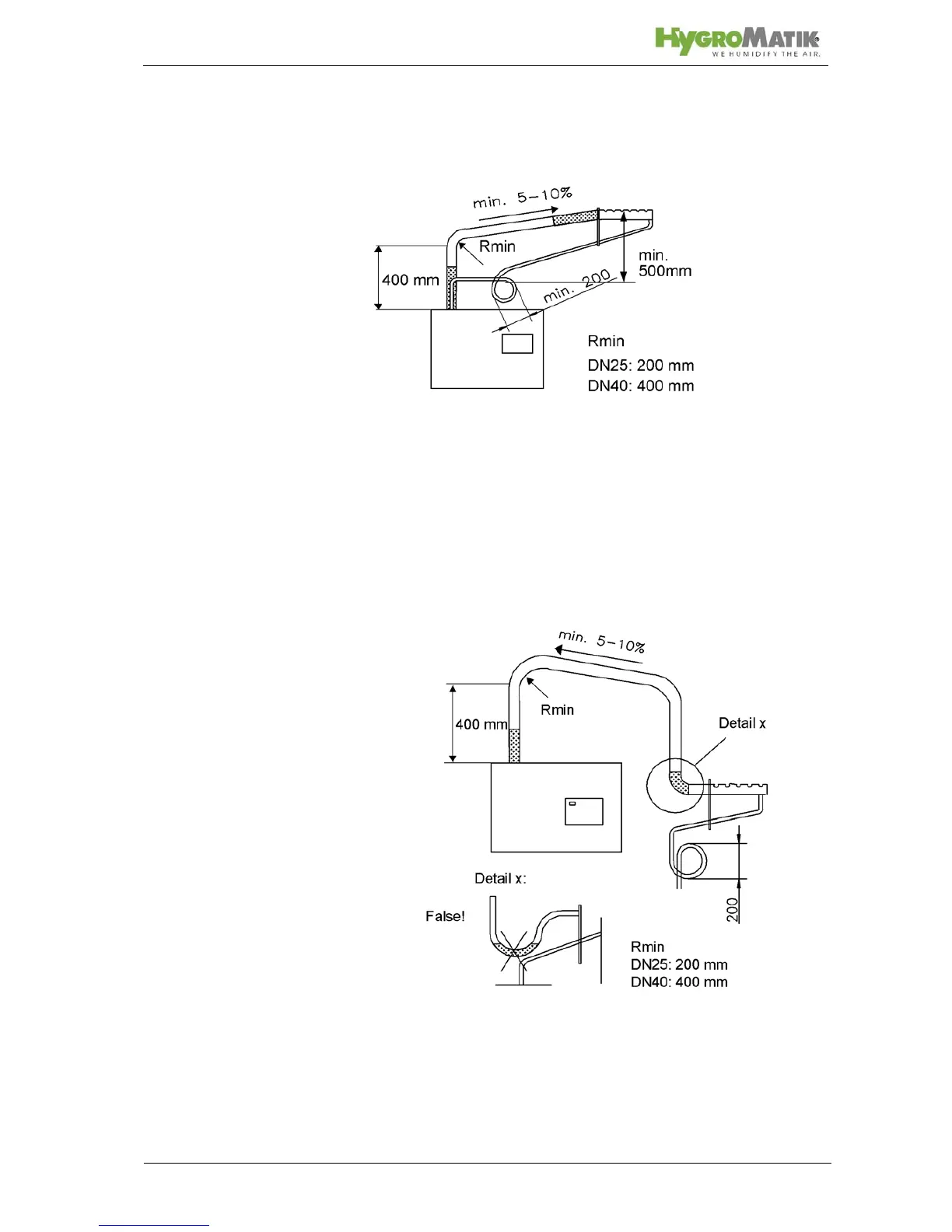
» If enough space is available, lay a loop as a vapor trap.
The steam manifold must be at least 500 mm from the
loop.
If the steam manifold is positioned lower than 500 mm
above the steam humidifier:
» Lay steam hose at a height of at least 400 mm above
unit and then connect to the steam manifold with a con-
stant fall.
» Lay condensate hose with a loop of 200 mm diameter
(vapour trap) to the drain. The distance between vapour
trap and steam manifold should have at least 500mm.
» Lay the loop of condensate hose 200 mm directly
above the drain. Detail x

Table of Contents

Related product manuals