EasyManua.ls Logo

Hypex Electronics PSC2.400 - System Information; Description; Audio Performance Data

Hypex Electronics PSC2.400
19 pages
Print Icon
To Next Page IconTo Next Page
To Next Page IconTo Next Page
To Previous Page IconTo Previous Page
To Previous Page IconTo Previous Page
Loading...
User manual R5
PSC2.400
- 6 -
System information
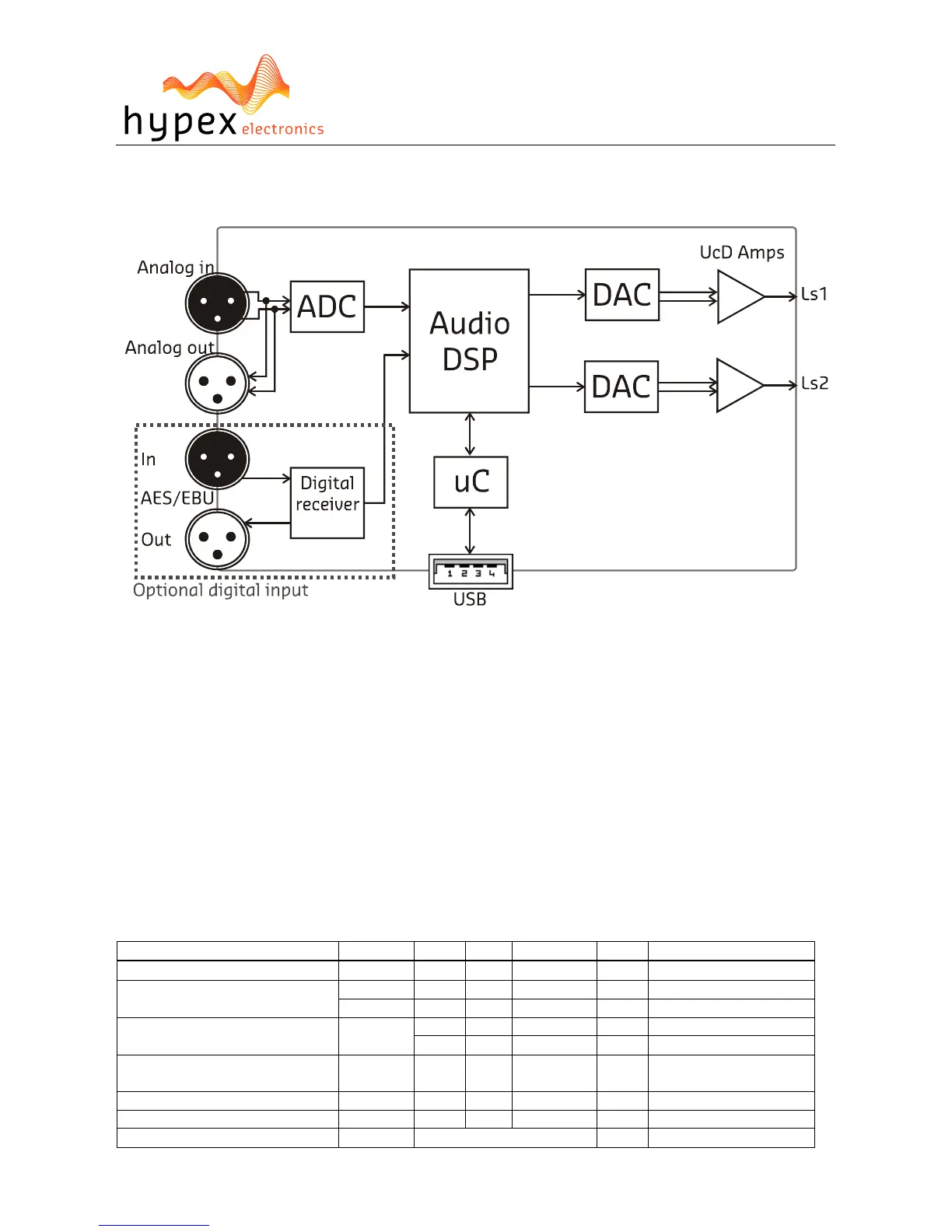
Figure 4: Block diagram
Two-channel active amplifier with DSP filter control.
Description
The PSC2 is a plate amp for use in powered speaker systems. As an active speaker controller, a PSC2
can form the basis of a powerful active two-way monitor.
Figure 4 shows the audio path of the PSC2. The module has two 400Watt UcD modules implemented
and is also available with a digital audio input AES/EBU, called the PSC2.400d version. The supply
voltage is provided by a Switched Mode Power Supply (SMPS400) module, also a module from Hypex
Electronics.
A PC controls the PSC2 through the USB port. This connection is used to upload the configuration
and filter settings. It will also be possible to update the firmware through USB.
Audio performance data
MBW=20kHz, unless otherwise noted. All filters set to unity. Noise levels unweighted.
Item
ItemItem
Item
Symbol
SymbolSymbol
Symbol
Min
MinMin
Min
Typ
TypTyp
Typ
Max
MaxMax
Max
Unit
UnitUnit
Unit
Notes
NotesNotes
Notes
Input level Vin +18 dBu Vin max
LS1 400* W Into 4 Ohms Output level
LS2 400* W Into 4 Ohms
101 dB ADC Signal/Noise SNR
107 dB DAC
Total harmonic distor-
tion+Noise
THD+N -90 dB Without UcD400
DSP sampling rate Fs 48 kHz
Delay per channel 0 0 15000 us Set in software
Supported digital sampling Fs 32, 44.1, 48, 88.2, 96, kHz All input rates con-