EasyManua.ls Logo

IBM 5150 - Page 26

IBM 5150
309 pages
Print Icon
To Next Page IconTo Next Page
To Next Page IconTo Next Page
To Previous Page IconTo Previous Page
To Previous Page IconTo Previous Page
Loading...
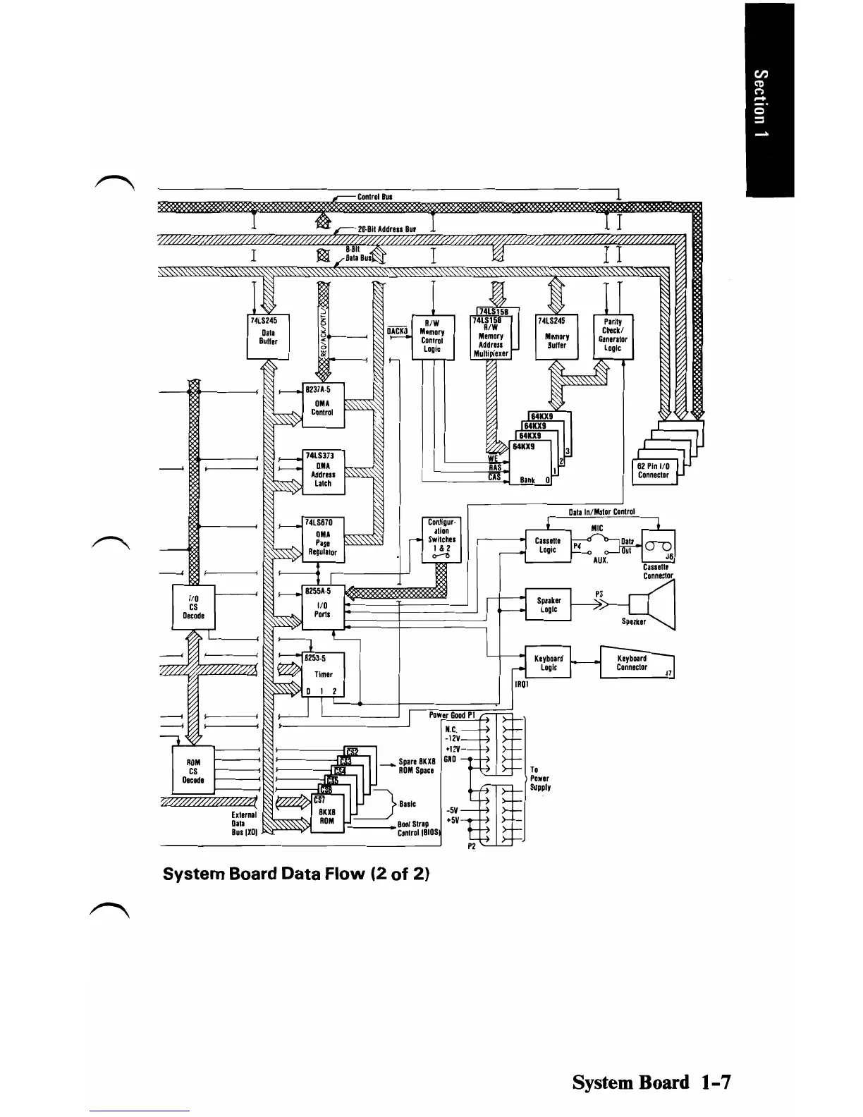
System
Board
Data
Flow
(2
of
2)
System Board
1-7

Table of Contents

Other manuals for IBM 5150

Related product manuals