EasyManua.ls Logo

Icar RPC 8BGA - Page 33

Default Icon
40 pages
Print Icon
To Next Page IconTo Next Page
To Next Page IconTo Next Page
To Previous Page IconTo Previous Page
To Previous Page IconTo Previous Page
Loading...
s. 33 / 40
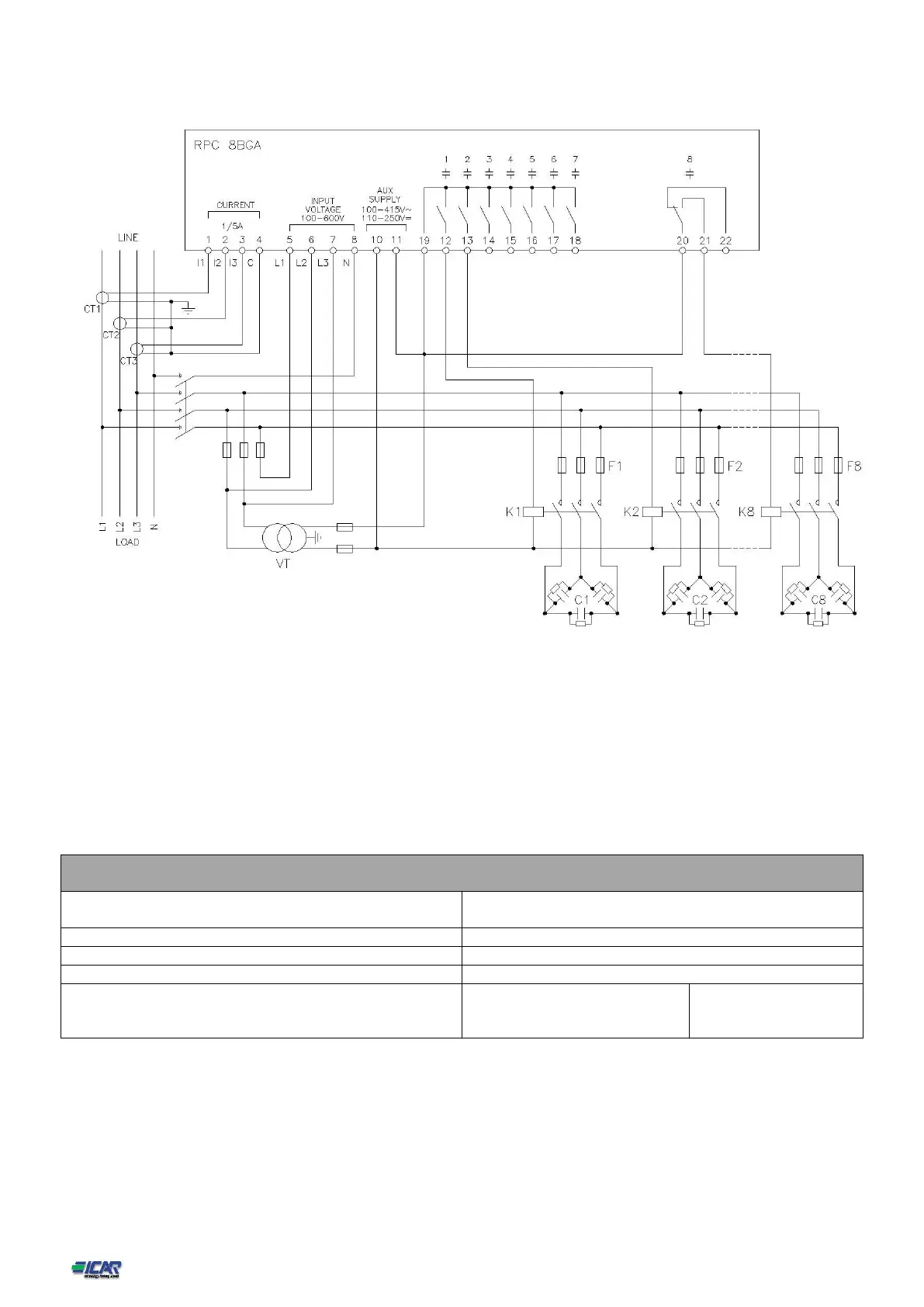
Full three-phase wiring, with neutral
FULL THREE-PHASE CONNECTION, WITH NEUTRAL . Wiring configuration used for standard applications with
full three-phase voltage control.
Voltage measure
3 ph-to-n and 3 ph-to-ph voltage readings
L1-N, L2-N, L3-N, L1-L2, L2-L3, L3-L1
Current measure
L1-L2-L3 phase
Phase angle offset
Capacitor overload current measure
3 readings on L1-L2,L2-L3,L3-L1
Parameter setting
P02.03 = Three-phase
P02.04 = L1-L2-L3
P02.06 = L1-L2-L3-N
P02.22 = LV

Other manuals for Icar RPC 8BGA

Related product manuals