EasyManua.ls Logo

Icar RPC 8BGA - Page 32

Default Icon
40 pages
Print Icon
To Next Page IconTo Next Page
To Next Page IconTo Next Page
To Previous Page IconTo Previous Page
To Previous Page IconTo Previous Page
Loading...
s. 32 / 40
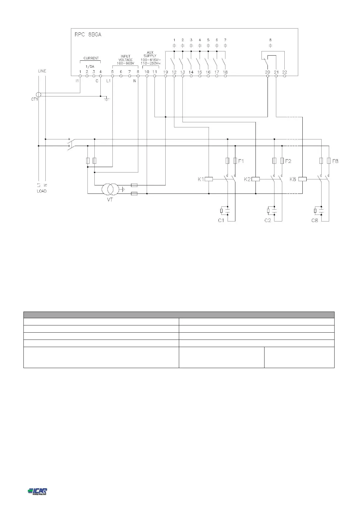
SINGLE-PHASE CONNECTION . Wiring configuration for single-phase applications
Voltage measure
1 phase voltage reading L1-N
Current measure
L1 phase
Phase angle offset
Between V (L1-N ) and I (L1)
Capacitor overload current measure
1 reading calculated on L1-N
Parameter setting
P02.03 = Single-phase
P02.04 = L1
P02.06 = L1-N
P02.22 = LV

Other manuals for Icar RPC 8BGA

Related product manuals