EasyManua.ls Logo

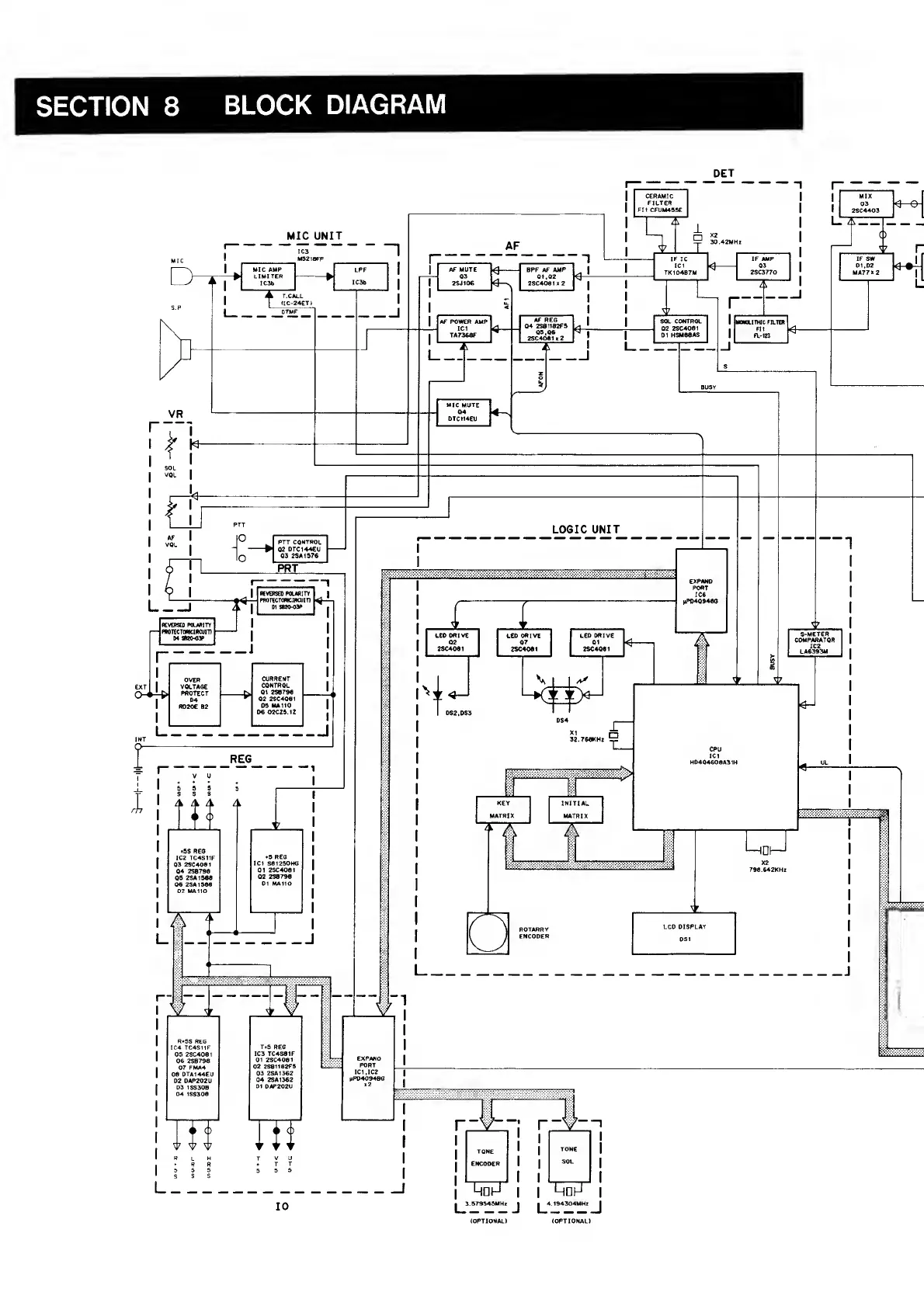
Icom IC-24AT - Section 8 Block Diagram

Icom IC-24AT
51 pages
Print Icon
To Next Page IconTo Next Page
To Next Page IconTo Next Page
To Previous Page IconTo Previous Page
To Previous Page IconTo Previous Page
Loading...
BPF AF
AMP
01,02
2SC408U2
CERAMIC
FILTER
Fit
CFUM4S5E
AF REG
04 2SS1182FS
05
,
oe
2SC4081X 2
SOL CONTROL
02 2SC4081
01
HSM88AS
LOGIC UNIT
PTT
CONTROL
02
0TCt44eu
03
2SA1578

Other manuals for Icom IC-24AT

Related product manuals