EasyManua.ls Logo

Icom IC-24AT - Page 42

Icom IC-24AT
51 pages
Print Icon
To Next Page IconTo Next Page
To Next Page IconTo Next Page
To Previous Page IconTo Previous Page
To Previous Page IconTo Previous Page
Loading...
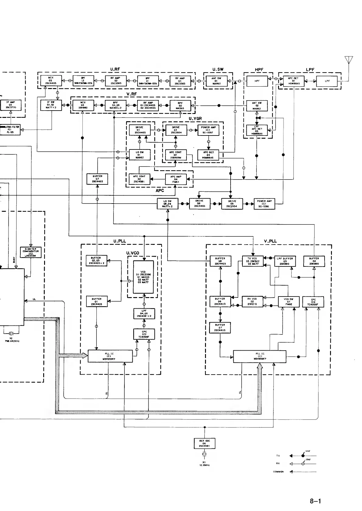
U.RF
U.SW
REF
OSC
Q6
2SC4061
~r“
T
XI
12.8MHz
COMMON
^
8-1

Other manuals for Icom IC-24AT

Related product manuals