EasyManua.ls Logo

Icom IC-3200A - Operating the Transceiver; Basic Operation and Band Changing

Icom IC-3200A
91 pages
To Next Page IconTo Next Page
To Next Page IconTo Next Page
To Previous Page IconTo Previous Page
To Previous Page IconTo Previous Page
Loading...
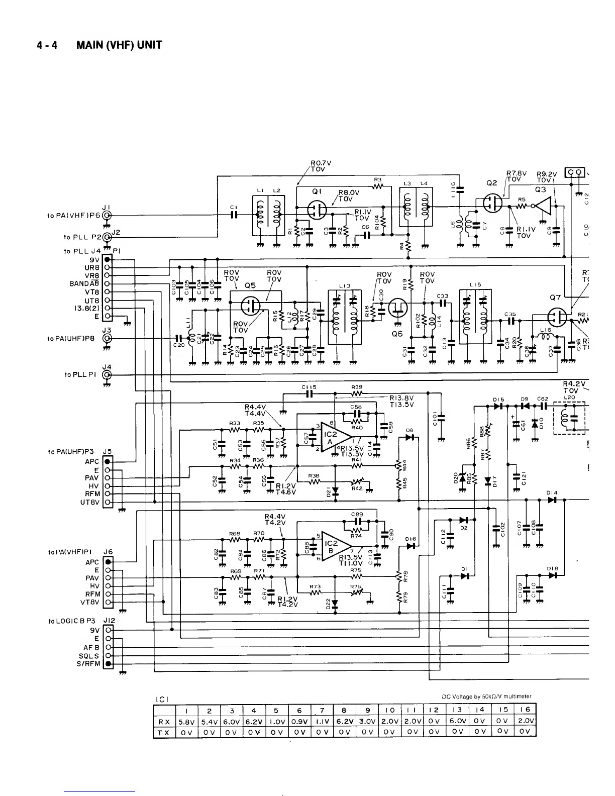
4
-
4
MAIN (VHF) UNIT
to
PA(VHF)P6
to PLL
P2
to PLL
J4
9V
UR8
Vl^
BANDAB
VT8
UT8
13.8(2)
E
toPA(UHF)P8
to PLL
PI
to
PA(UHF)P3
APC
E
PAV
HV
RFM
UT8V
toPA(VHF)PI
APC
E
PAV
HV
RFM
VT8V
to
LOGIC B
P3
9V
E
AFB
SOLS
S/RFM

Other manuals for Icom IC-3200A

Related product manuals