EasyManua.ls Logo

Icom IC-A25NE - Block Diagram

Icom IC-A25NE
90 pages
Print Icon
To Next Page IconTo Next Page
To Next Page IconTo Next Page
To Previous Page IconTo Previous Page
To Previous Page IconTo Previous Page
Loading...
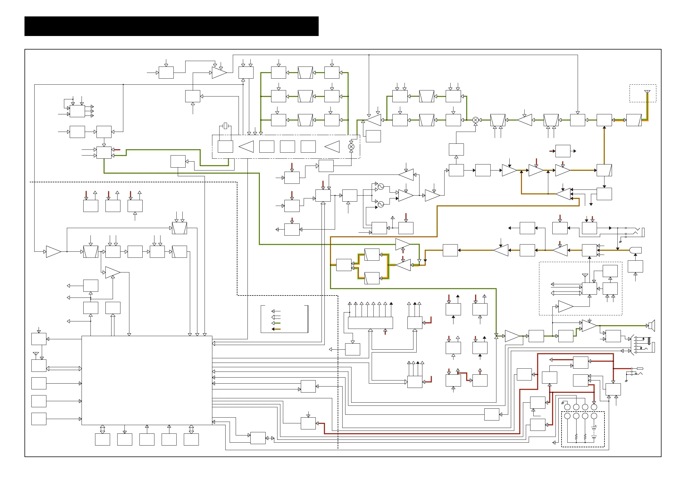
SECTION 8 BLOCK DIAGRAM
8-1
ANT
LPF
PLL
IC
LCD
ANT
SW
PWR
AMP
PRE
DRIVE
LPF
BUFFBUFF
LOOP
FIL
RIPPLE
FIL
BPF
RF
AMP
BPF
XTAL
BPF
IF
AMP
IF
AMP
CERAMIC
BPF
FM
DET
X1
ATT
BUFF
BPF
BPF
FM
DET
LPF
AMP
BUFF
LPF
BUFF
ALC
AMP
VCO
SW
BUFF
[MIC]
J2
[SP]
J5
[DC 11V]
J1
BATTERY PACK
7.2V
BATTERY
DETECT
CERAMIC
BPF
XTAL
BPF
DRIVE
AMP
AGC
AMP
AGC
AMP
GPS
ANT
LPF
BUFF
BAT_DATA
BUFF
BUFF
CERAMIC
BPF
APC
AMP
Bluetooth
ANT
PWR
AMP
MOD90I
EMBI
VORD
T4
T3
T2
T1
ALCC AFC
DETMUTE
WXC
ANLC
VORON
NOISE
AGCOFF
POW
(from IC216)
TXVCO5
RXVCO5
FC
VORON
MMUTE
TXCR5C
ALCC
R5C
ANLC
WXC
EXTREGC
DETMUTE
MMUTE
FC
AFON
MOD90
BTMICSW
MOD90O
2LOC
JACKDET
CLIN
CLOUT
DCC
VIN
POWSW
CLONE
DCIN
2LOC
NARROW
PLLSW
AM_DET
RF_AGC
SHIFT
VORC
HV
CHGC
CHGC
PCON
MOD
VOLO
POWER
DET
ATT
LO-SW
S OUT
BIAS
PHASE
SHIFT
VOR
CTRL
MIC
CONTROL
EXT PTT
DETECT
AF AMP
REG
EXT-MIC
REG
ALC
CONTROL
AM/FM
SW
SHIFT
RESISTOR
IC5
LOGIC/LOGIC-1
NOISE
AMP
ANL
SW
INT SP
BATT
CHARGE
DC SW
ANL
NOISE
DET
Tx: 118.000~136.9916 MHz
Rx: 108.000~136.9916 MHz
161.650~163.275 MHz
LO FREQ.
Rx: 154.350~183.3416 MHz
208.000~209.625 MHz
46.35 MHz
0.450 MHz
Q2Q3Q4
IC14
D2~D5,D49,D51
D6,D17
Q28
Q60
Q29
RX VCO: 154.350~209.625 MHz
TX VCO: 118.000~136.9916 MHz
Q58,
D38,D48
Q59,D45,D46
Q33
TXV
REG
IC203
Q7,Q8
R5S
Q21 D18
IC2
TXV
R5S
REG
Q20,Q66
ECM
MC1
Q35,Q36
CLONE
I/O
BATT-V
DETECT
IC35,Q22,Q23,D47
(include MAIN/MAIN-1 D59)
EXT-DC
SENS.
Q3,D7,D8
DS5Q15
IC12a
IC12b
IC12d
IC12c IC11a IC11b,D16 IC13a IC13b
Q13,D17
TX-VCO
RX-VCO
VCC
SCK,SDATA,
IC216
SCK,SDATA
DA2STB
IC25
AGC
SW
VCC
TXV
PCK,PDATA,PSTB,UNLK
LIMIT
AMP
FI4
JACK
DETECT
ATT
REF
OSC
X2: 12.8 MHz
IC22,D40
AM
DET
0.450 MHz
FI2
FIL
SW
VOR
SW
IC220
D/A
DA1STB
SCK,SDATA
R5S
5V
SW
NARROW2
VOR
SW
TXC
VCC
VCO5VCO5
VCO5
+5V
(from IC216) (from IC216)
+5V
FIL
SW
W5V
N5V
46.35 MHz
W5V
N5V
FIL
SW
FIL
SW
R5S
R5S
D11
FIL
SW
D12
FIL
SW
N5V
FIL
SW
N5V
D24
D25
FIL
SW
R5S
IC24,Q68
R5S
IF-IC
R5S VORON
Q53
VCC
+3V
ALC5V
D/A
AF5V
VOL
IC229
+5V
AF5VVCC+5V
CPU3V
VCC
+5V
RFSTB,OE
+3V
+5V
D/A
+5V
T1~T4
POW
VOR3.3V
MIC_SW
EVOL
Bluetooth
UNIT
LOGIC/LOGIC-1
H_PTT,BT_DEMP
BTRXD,BTTXD
CPU_DEMP,BT_SW,BTTEST
VOX DET
DC SW
POW_SW
REF
OSC
+3V
GPS
MODULE
CPU
IC27
MIC_SW
Q52
BTAF
LCD
Backlight
VOL
DIAL
RESET
INITIAL
MATRIX
EEPROM
PCK,PDATA,PSTB,UNLK
SQL key
PTT key
LIGHT key
CLOCK
×3
ECK,EDATA
D1,D8,D14,D44
D29
D13,D50
Q11
D15,D16
Q12
V5VV5V
D56
FI1
D57
D58D55
FI3
GAIN
Adj.
Q13
D86
VORBVOR3.3V
IC17
IC37IC38X1,D18DS2~DS4D1,D2
Q31~Q34
IC31
5VL
REG
GPS3V
GPSC
R5S
W5V
N5V
V5V
BATT
DATA I/O
SBATT2
IC36,Q24,Q25,D48
BATTX
BATRX
VIN
D31
PWSW
DC SW
CHGIH
D67,D68,Q213
Q223,Q224
Q212
D66,Q218
PCON
IC234,IC235,IC239,
D80~D82,D87,D88,
Q220,Q234,Q235,
Q238~Q240
EXT-V
DETECT
D30
ALC5V
IFGAIN
Q52
NARROW2
SW
NARROW2
DETO
IC233
IC221
MUTE
Q232,Q233
SPMUTE
IC232b,D74
IC232a
IC231
IC229
Q50,D36
EXTREGC
D23,D27,Q25,Q26
Q226,D71
IC215
IC220
IC222a
IC223b~IC226b
IC223a~IC226a
IC228
AFDET
IC222b
from PLL-IC
GPIO
Q216,IC219
+3V
X203: 15.3 MHz
LV
DET
Q215
LVIN
+5V
Q62
BEEP
FIL
SW
V5V
W5VW5V
FIL
SW
D90
FI5
D89
V5V
0.450 MHz
NDET
RSSI
from PLL-IC
GPIO
VCO5
VORDET
To LOGIC/
LOGIC-1
Q57,Q217
RFDETV
MOD
PA TEMP
DETECT
PATMP
+3V
+5V
IC1
IC30,
D46
BT_SW
IC39
LOW_BAT
DET
VOX
IC32
BTMIC
5VL
BT REG
IC1
Sheet key
VORON
VORB
VORB VORBVOR3.3V
IC41
VCC SBATT
EXTERNAL
CHARGE
DETECT
IC34,D35
CPU3V
REG
VCC CPU3V
IC40,D34
5VL
REG
VCC 5VL
VORBVOR3.3V
+5V
IC240,D78
+5V
REG
VCC
+3V
REG
+3V
PCON
IC238,D83
Q236
SHUTDOWN
SW
Q245,Q246
D62,D91,D93,D94,
Q54,Q68,Q243
IC241
+5V
AFDET
MAIN/MAIN-1
COMMON
DATA
RX
TX
Explanatory notes

Other manuals for Icom IC-A25NE

Related product manuals