EasyManua.ls Logo

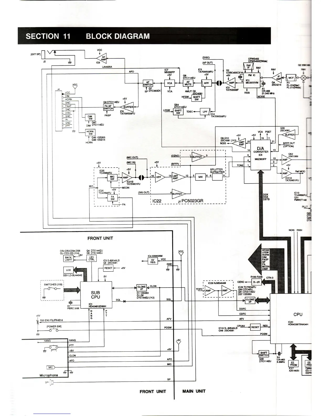
Icom IC-F1010 - Block Diagram

Icom IC-F1010
46 pages
To Next Page IconTo Next Page
To Next Page IconTo Next Page
To Previous Page IconTo Previous Page
To Previous Page IconTo Previous Page
Loading...
Qil
-
t
1 lza€U
1ss353
1 SV2!,1
:
0rr
"'"
!-
i__--Jf{ofiN I
Iswl
'-f-o+l
I
0{6
rioBN
ct6
oTcrr,rEt
FRONT
UNIT
DS2.OS3,DS4,OS'
O{
cL{70Y4O(X1)-..
06
rc3
SqE'ALB
05 2SOr€1
osl LGBL4404E
CPU
t@0
|oe(Imt| Fl
R20 EVIJ
F2JFK,l8t,l
{POWER
SWI
x4
ffi,,.*
S.Sffi
l04\Ftl
t
2SC121s
R-za.;5
xl
R.2|0(51
cR-a88
2l.3,15
ll{z
FRONT UNTT
MAIN UN]T

Other manuals for Icom IC-F1010

Related product manuals