EasyManua.ls Logo

Icom IC-M802 - Pa Unit

Icom IC-M802
141 pages
Print Icon
To Next Page IconTo Next Page
To Next Page IconTo Next Page
To Previous Page IconTo Previous Page
To Previous Page IconTo Previous Page
Loading...
11 - 5
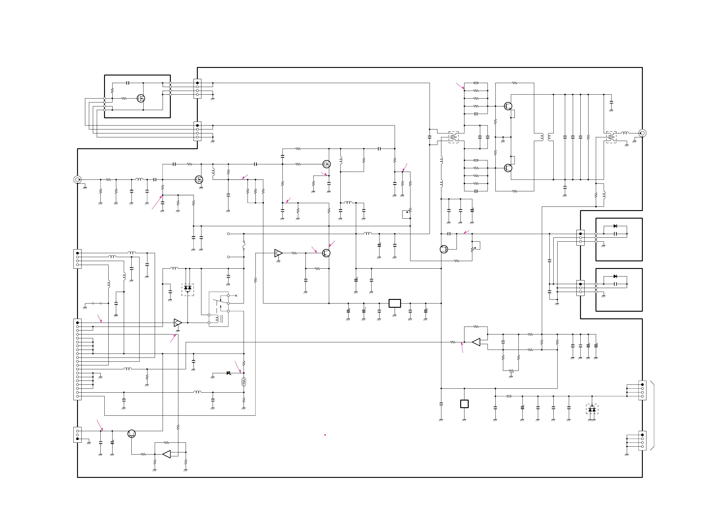
11-2-4 PA UNIT
from MAIN
unit J1
J6702
YGR
to MAIN
unit J1901
PON
HV
HV
FANC
S13V
S13V
S13V
S13V
S13V
KEYS
STAT
ANTC
ICV
GND
GND
GND
J6701
KEY
START
13.6
ANTC/GND
J6703
FAN+
GND
J6501
GND
GND
GND
GND
EP6602
HV13V
HV13V
HV13V
HV13V
EP6603
to CHASSIS W4501
from FILTER
board J7001
J6401
FLIN
R6110 39
C6202
0.1
Q6851
PD55015
DRVO
GND
J6302
GND
DRVO
Q6401
SD1487
VARO
GND
J6411
VARI
VARISTOR-1 BOARD
GND
GND
J6412
VARO
VARISTOR-2 BOARD
D6431 MA30PXB
C6431 0.047
D6601
DF40SC4-4072
EP6601
4
8
V+
GND
IC6501
TS522ID
-
+
G
OI
IC6601
TA7808F
R6111 39
R6112 39
GND
GND
THRM
T8V
L6706
HF70ACC635050-T
PA UNIT
L6705
HF70ACC635050-T
-
+
R6102 180
R6103 180
C6101 82p
C6102 82p
R6101
39
L6101
0.22
µ
C6103
0.1
C6105
0.1
R6107
680
R6104
68
C6104
0.1
R6105
2.2k
R6106
4.7k
Q6101
2SK2973
C6201
0.1
L6102
100µ
R6109
470
C6109
0.047
C6801
0.1
R6801
560
R6802
1
Q6801
PD55003
R6204
2.7
C6203
0.01
R6202
3.9k
R6203
4.7k
R6201
82
C6106 0.1
C6108 0.1
F6702
F6703
F6701
L6202 82
µ
R6206 470
C6301
0.1
R6301 100C6302 0.1
R6302 2.2k
R6303 1.2k
R6304
3k
C6205
0.047
C6206
0.047
L6204
EXC-ELDR25C
C6303 470
C6308 0.68
C6305 0.1
C6306 1000
L6303
EXC-ELDR25C
Q6601
2AS1037AK
R6603
4.7k
C6602 0.0047
R6602
4.7k
Q6602
DTC114EU
R6604 15k
C6604
47
C6603
470
C6605
0.1
C6606
0.1
C6607
47
L6703 100
µ
L6704 100
µ
C6707 0.0047
C6708 0.0047
C6706 0.0047
W6701
L6501
100µ
C6704
0.0047
R6515
4.7k
L6702
100µ
C6703
0.047
C6702
0.047
R6702
680
R6705
NTCG16
R6704
1.8k
D6702
RD10M
Q6701
DTC114EU
D6701 DAP222
C6705 0.0047
L6701
EXCCL3225U
C6701
0.047
RL6701
AJS1311
C6506 0.1
C6507 470
Q6501
2SD1664
R6510
1k
R6513
330k
R6517
1k
R6512
100k
IC6501
TS522ID
7
6
5
R6514
100k
C6503 0.1
C6608 0.047
C6609 2200
C6610 0.1
C6611 0.0047
C6612 0.001
R6509
100
R6507 2.2M
R6505
68k
R6516
10k
R6504
68k
C6501
100p
R6652
0.012
R6651
0.012
R6503
33k
R6502
33k
R6413
220
C6419
0.0047
R6412
2k
C6418 0.0047
C6416 0.047
C6417 1000
L6403
EXC-ELDR25C
L6407
EXC-ELDR25C
C6403 0.0068
R6406 3.3
R6405 3.3
R6404 3.3
L6402
EXC-ELDR25C
C6401 0.0068
R6403 3.3
L6401
EXC-ELDR25C
R6402 3.3
R6401 3.3
C6424 0.001
C6425 680p
L6301
LR-416
C6307 680p
C6408 0.001
C6409 0.001
C6410 220p
R6415 47
C6432
200p
C6433
200p
L6404
LR-400
Q6402
SD1487
R6408 10 R6407 10
R6409 2.2
R6410 2.2
L6405
LR-376
L6408
LA-262
R6411 2.7
L6406 LR-230
C6415 0.68
C6414 0.0047
C6413 1000
C6412 1000
D6432 MA30PXB
C6432 0.047
R6852
1
R6851
100
C6851 0.01
Q6403
2SD1585K
to TUNER
to FAN
C6427 0.1C6428 0.1
DRIVER BOARD
1
2
IC6501
TS522ID
1
2
3
GND
J6301
GND
DRVI
DRVI
TX: 2.54V
TX: 6.30V
RX: 8.03V
TX: 3.59V
TX: 0.47V
TX: 4.03V
TX: 0.69V
RX: 0.15V
RX: 10.43V
TX: 2.02V
RX: 4.86V
TX: 7.48V
RX: 2.29V
TX: 7.30V
RX: 8.03V
TX: 7.97V
TX: 1.36V
MESUREMENT CONDLTIONS
frequency: 12.29 MHz
mode: J3E(USB)
*ANT(RX): no input
(TX): no modulation
Digital tester
unit: V
range: 20V
input impedance: 10M

Other manuals for Icom IC-M802

Related product manuals