EasyManua.ls Logo

Icom IC-M802 - Page 83

Icom IC-M802
141 pages
Print Icon
To Next Page IconTo Next Page
To Next Page IconTo Next Page
To Previous Page IconTo Previous Page
To Previous Page IconTo Previous Page
Loading...
4 - 4
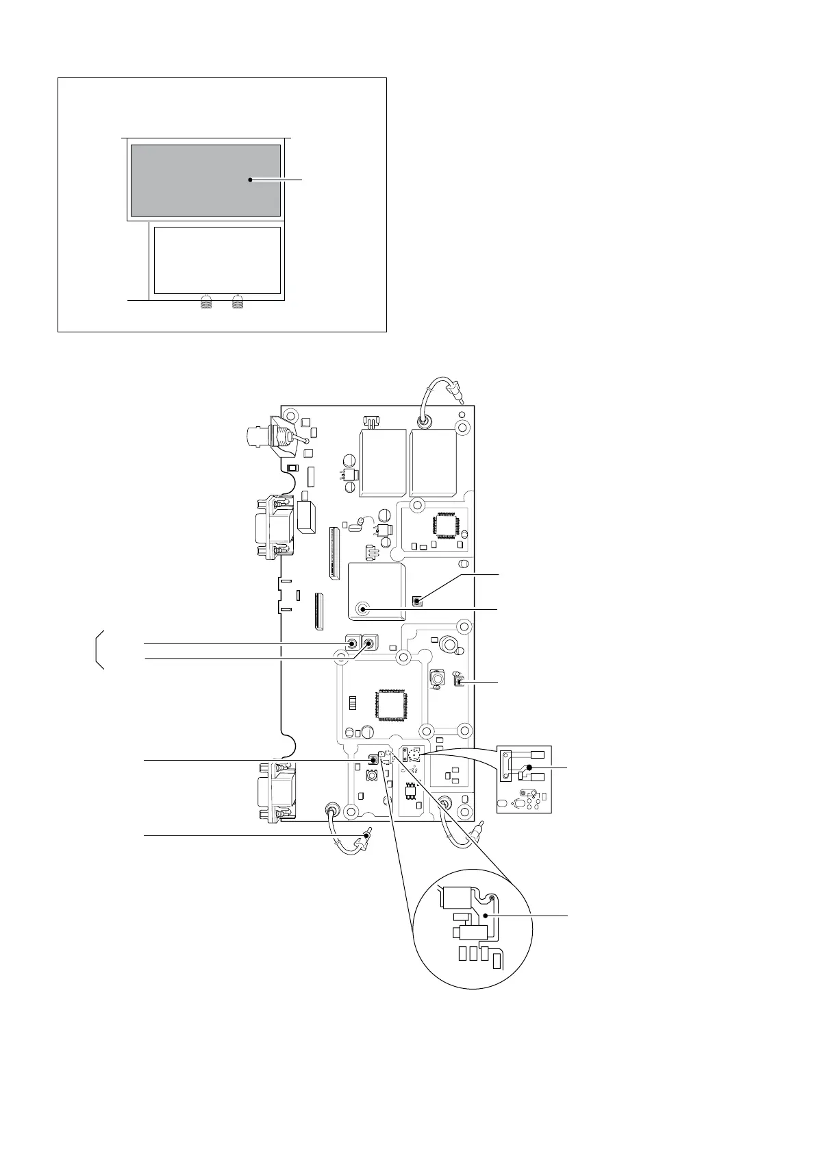
HPL lock voltage check point
CP5401
C5394
Reference frequency adjustment (USA, CAN)
X5251
LPL lock voltage check point
CP5301
Reference frequency check point
P5201
LPL lock voltage adjustment
C5305
LPL lock voltage adjustment
L5203
L5204
Reference frequency adjustment (OTH)
C5521
HPL lock voltage adjustment
• PLL UNIT TOP VIEW
PLL unit
IC-M802 BOTTOM VIEW

Other manuals for Icom IC-M802

Related product manuals