EasyManua.ls Logo

Icom IC-R2 - Other Functions: Auto Power-Off and Monitor Switch; Auto Power-Off Function; Monitor Switch Action

Icom IC-R2
35 pages
Print Icon
To Next Page IconTo Next Page
To Next Page IconTo Next Page
To Previous Page IconTo Previous Page
To Previous Page IconTo Previous Page
Loading...
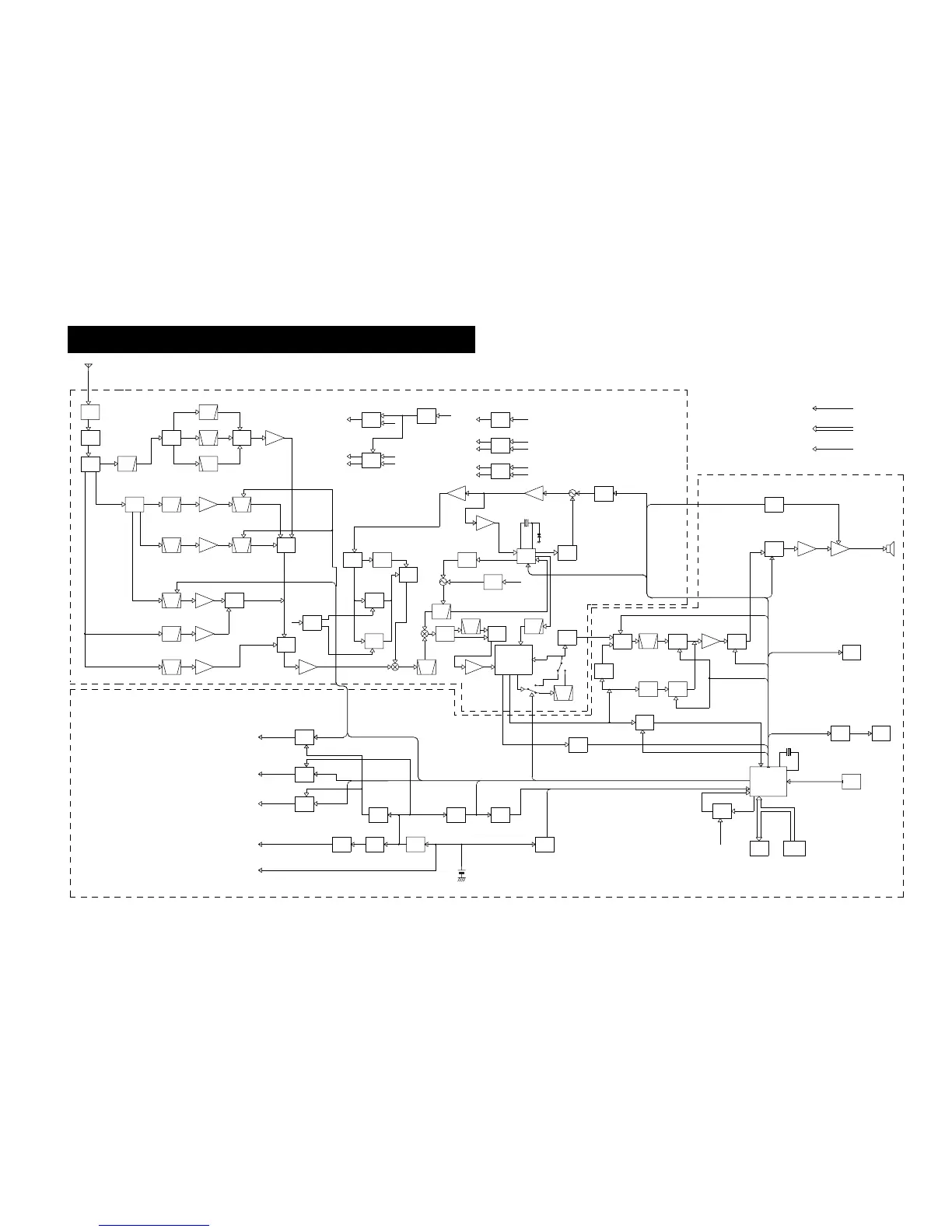
SECTION 10 BLOCK DIAGRAM
10 - 1
COMMON
Q509: DTA144EE
RF UNIT
0.495-1.8995MHz
D68: 1SV172
LIM
LPF
0.495-29.995MHz
D69: MA2S077
D13: 1SV308
D73: 1SV308
D75: 1SV308
BANDSW
15-29.995MHz
1.9-14.995MHz
D64: MA2S077
D67: MA2S077
D70: MA2S077
D63: MA2S077
D65: MA2S077
D66: MA2S077
B1_3V
B2_3V
B3_3V
RXBAND
RXBAND
SW
SW
Q505: 2SC4215
Q506: DTA144EE
Q504: XP1113
Q40: 2SC5231
800M3V
G3V
VHF3V
UHF3V
300M3V
RXBAND
RXBAND
RXBAND
Q501: DTA144EE
Q502: XP1113
Q503: XP1113
B1
B2
B3
HFC
RXBAND
SW
IC4: UPC2746T
Q29: DTC144EE
300MC
UHFC
VHFC
GC
380MC
SW
SW
SW
SHIFT
Q28: 2SC5006
Q30: 2SC5006
D54: 1SV286
1stVCO
267.1950-549.8475MHz
1stVCO
SHIFT
RX
DATA
AFREG
IC15: TA31056F
Q24: 2SA1588
Q36: 2SC4081
Q23: 2SA1588
Q41: 2SC4617
VR IC
BUFF
AF
AMP
IC14: M5222FP
AFON
SW
19.200 MHz
PDAUL,PCK_IS,PSTB
IC3: UPD3140GS
Q2: 2SK880
Q45: 2SC4117
X1: CR593
D18: HVU350
VCO
Q6: FH102
D17: 1SV305
Q37: 2SC4617
D53: MA2S111
Q43: 2SC5231
RXLOSW
LOOP
FIL
LFP
BPF LPF
AM
DET
CERAMIC
BPF
BPF
IF
AMP
RX
SW
RX
SW
D52: 1SV308
D50: 1SV308
D47: 1SV308
2nd
0.495-282.995MHz
PASS
BANDSW
RXLOSW
283.00-
D42: MA2S077
D43: MA2S077
D44: MA2S077
T
R
A
C
D25: 1SV308
D29: 1SV308
D72: 1SV308
118-175MHz
D1: HVU350
D2: HVU350
Q35: UPA805T
330-470MHz
D4: HVU350
D5: HVU350
Q14: FH102
330-469.995MHz
118-174.995MHz
BANDSW
D3: 1SV308
D11: 1SV308
D74: 1SV308
SHIFT
Q24: 2SC5277
Q36: 2SC5231
Q26: 2SC5277
BANDSW
30-117.995MHz
175-329.995MHz
833-1309.995MHz
470-832.995MHz
D32: 1SV308
D34: 1SV308
LOSW
CONT
x2
x2
Q33: XP1113
+3S
Q31a: FH102
494.195MHz
833.000-
1066.695MHz
Q31b: FH102
1066.700-1309.995MHz
494.200-832.995MHz
BANDSW
IC11: UPC2746T
D36: 1SV308
D71: 1SV308
IC1: UPC2757T
FI1: EFCH266MKQP1
266.7MHz
FI3: FL-293
RIPPLE
FIL
IC10:
UPC2757T
Q5:
2SC5231
IC2: TA31136FN
D58: MA2S077
D59: MA2S077
D60: MA2S077
D61: MA2S077
IF IC
DEFIL
R3V
D55:
MA132WK
Q1: XP6501
Q4: XP6501
Q44: XP4312
Q46: XP4312
D21: MA6S718
D20: MA6S718
D57: MA728
AMFMSW
Q30: XP6501
WNSW
BPF
PRE
AMP
D17: MA2S111
D16: MA132WK
Q18: DTA144EE
Q37: 2SJ144
Q31: 2SC4081
AM
V
R
C
DS8: DLC-7995
MUTE
AMUTE
LIGHT
LED
DS2: CL-200YG-C-TS
LIGHT
SWITCH
LIGHT
RTONE
SQL
WFM
X1: CR613
Q38a:
2SC4081
RX
TONE
FIL
NOISE
DET
WSW
WFIL
Q17: 2SJ144
IC9: NJM2904V
Q8: DTA144EE
SDET
WFMS
D56: MA132WK
FI2:
CFWM450E
IC1: HD74LVOO
Q35: 2SA1588
+3V
CONT
POWERC
LOGIC UNIT
Q6: 2SA1588
+3V
+3S
R3V
+3S
CONT
R3V
CONT
RX
+3.2
REG
+3SC
Q4: 2SA1588
Q3: 2SA1588
Q39: XP6501
IC4: S-81332HG
RESET
IC3: XC62FP3002MR
IC5: S-80725SL
D14: MA2S111
Q13: DTC114EE
B
A
T
T
R
E
S
E
T
W
TCON
CLSW
E
X
T
Q11b: XP4213
D1: MA2S111
CPU
4.935MHz
7 KEY
IC11: M38267M8L
EEPROM
D6: MA2S111
D7: MA2S111
D8: MA2S111
D9: MA2S111
D10: MA2S111
D12: MA2S111
D13: MA2S111
Q11a: XP4213
IC2: X25650S8I-2.5
Q40: 2SA1588
BATT
CHECK
DC-DC
IC10: X6371A351PR
D4: MA729
RIPPLE
FIL
Q26: 2SC4081
D3: 1SS372
D15: 1SS372
D5: 1SS372
X4
BATT
VP
ATT
LPF
BPF
BPF
BPF
BPF
LPF
RF
AMP
RF
AMP
BPF
RF
AMP
RF
AMP
RF
AMP
RF
AMP
ANT
SW
BANDSW
LPF
RF
AMP
BPF
HPF
BUFF
AMP
BUFF
PLL
IC
LOOP
FIL
+3
REG
INITIAL
MATRIX
HF3V
LCD
F
M

Other manuals for Icom IC-R2

Related product manuals