EasyManua.ls Logo

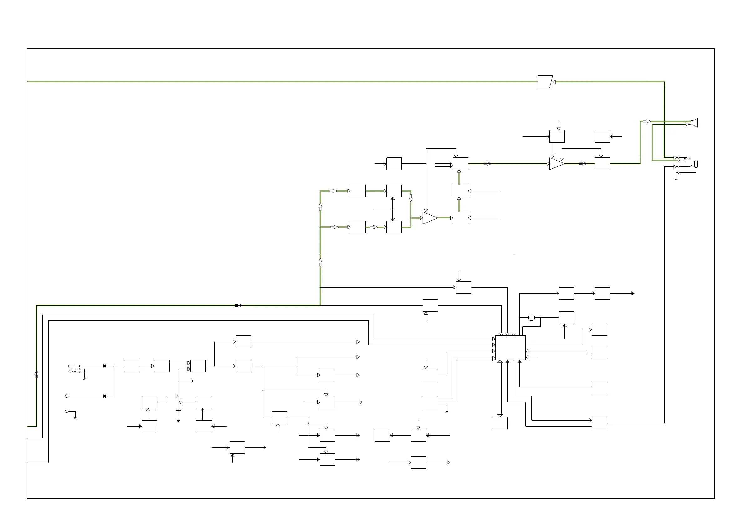
Icom IC-R6

Icom IC-R6
36 pages
To Next Page IconTo Next Page
To Next Page IconTo Next Page
To Previous Page IconTo Previous Page
To Previous Page IconTo Previous Page
Loading...
9 - 2
BATTERY
J500
LCD
D508
RB551V
X1
CSTCR_G
X1:CSTCE12M2G52
PRE
AM P
AF
MUTE
AF
AM P
SP1
FIL
RIPPLE
J2
LPF
CP10S
CP3 D509
RB551V
CP10S
CP4
TP90N00E20
S6
1
COM
2
A
3
B
AF FIL
WFM/AM
TONE
FIL
FM
AF FIL SW
M ODE
SW
M ODE
VOL
AF
REG
LOGIC3.3
VCC
CPU
EEPROM
7KEY
C I-V
CLOCK
SHIFT
LIGHT
SWLIGHT
LCD LIGHT
HV
SENS
HV HVDET
DC
SW
CHRG
CHRG
CTRL
DC-DC
CONV
RESET
LOGIC
CTRL
+3S
CTRL
IFV
CTRL
CHGC
HV
VP
RESET
LOGIC3.3V
+3S
IFV
PCON
IF CON
LOGIC UNIT
RTONE
CTONE
RSSI
Q500:HAT1023R
D501:MA2S7280G
Q501:2SB1132
D 500:SB07-03C
D503:DA221
Q502:LDTC144
IC102:TPS61025DACR
IC3:R3112N281A
Q 103:2SA1832
Q 102:2SA1832
Q 104:2SA1832
DS2,DS3:VFY1111 Q5:2SC4738
Q4:LDTC144
IC452:TC7W04
Q504:2SC4738
CLIN
CLOUT
Q1:LDTC144
DC-DC
D100:1SS372 Q100:2SC4738
IC100:TC7W04
D101:1SS372
D102:1SS372
D103:1SS372
DS1
IC2:R1EX24256
IC1:UPD78F1508GF
+3V
IC104:NJU7775F03
REG
+3.3CPU
IC454:NJU7775F3 2
IC450:TS4990
IC451:SM6451
AMUTE
Q350:2SJ144
Q300:2SC4738
D300:MA2S1110GQ301:XP6501
Q 302:2SJ144
IC200:NJM2904(A )
12.288MHz
CLS
SP1(CHASSIS)
RSSI
EXT SP
CTRL
AF_FIL
TEMP
DET
VSC AF
FIL
VSC
VR_DATA
VR_CLK
VR_STB
AF_FIL
AFON
Q508:LDTC144
EAR ANT
IC200:NJM2904(B)
AF_SEL
Q503:2SA1832
D504:1SS400
DET
LIMIT
D 511:MAZ8110G
REG
+5V
IC455:NJM2831F05
Q 512:2SA1832
Q 513:2SA1832
D507:1SS400
CHRG
CTRL
Q509:LDTC144
CHRG
Q510:LDTA144
CHGS
REG
+2S
IC103:NJU7775F18
+2S
+3SCLOGIC3.3V
VCC
SP
Q507:SSM3K01T
D505:1SS400
MUTE
AF
SW
Q511
LDTC144
ESIO,ECK
TEMP K1,K2,MODE,POWER,FUNC,SQL
DCK,DUD
KEY
S9:SW-149
S10:JPM1990
SQL,FUNC
VIN
VIN
NOISE
NOISE
AF
SW
AF-V
Q505:2SA1832
AF-V
AFON
SPV
+3V
TONE-V
CTRL
Q200:LDTA144
TONE-VTCON
+3S
VCC
LOGIC3.3V
TONE-V
TONE-V
LIGHT
CKOUT

Other manuals for Icom IC-R6

Related product manuals