EasyManua.ls Logo

Ideal Boilers Esprit 2 - Page 34

Ideal Boilers Esprit 2
72 pages
Print Icon
To Next Page IconTo Next Page
To Next Page IconTo Next Page
To Previous Page IconTo Previous Page
To Previous Page IconTo Previous Page
Loading...
34
INSTALLATION
ESPRIT 2 - Installation and Servicing
nm9323
Dry fire
thermistor
Diverter
Valve
Permanent
black
link
br
br
pk
y/g
b
bk
gy r v
123
y/g
y/g
40
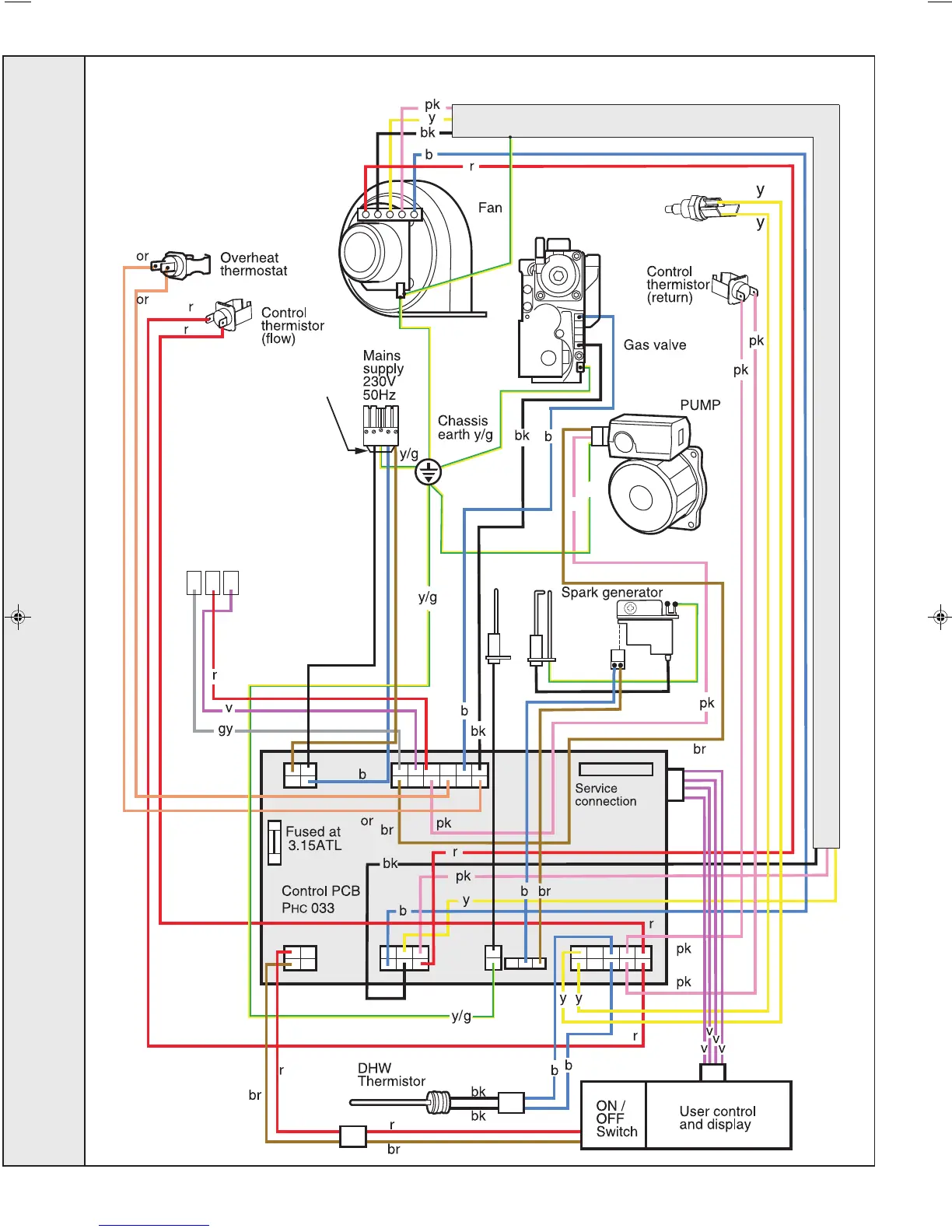
PICTORIAL WIRING DIAGRAM
LEGEND
b-blue
bk - black
br - brown
gy - grey
or - orange
pk - pink
r-red
v-violet
w-white
y-yellow
y/g- yellow/green
INSTALLATION
206091-1.pmd 26/05/2010, 16:0834

Related product manuals