EasyManua.ls Logo

Ideal Boilers i-mini 24 - WIRING DIAGRAM

Ideal Boilers i-mini 24
72 pages
Print Icon
To Next Page IconTo Next Page
To Next Page IconTo Next Page
To Previous Page IconTo Previous Page
To Previous Page IconTo Previous Page
Loading...
28
INSTALLATION
i-mini - Installation and Servicing
27
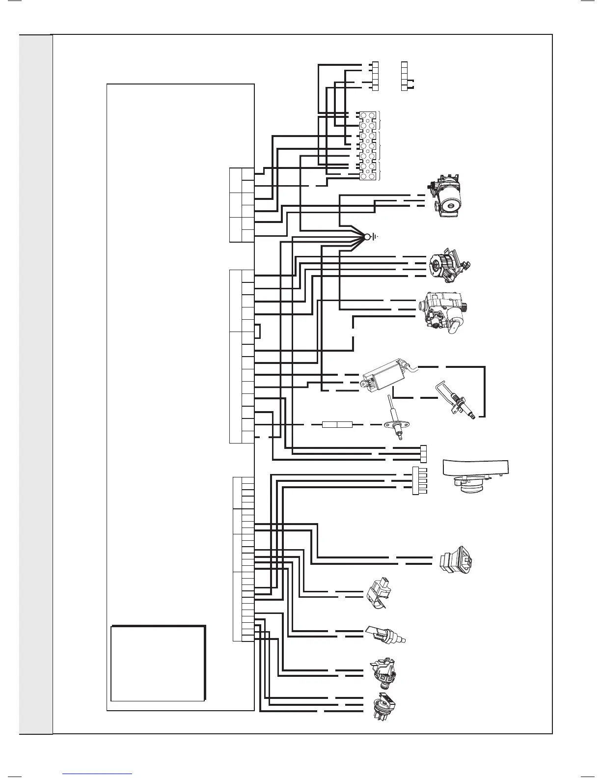
WIRING DIAGRAM
r
b
bk
or
bk
1
X1A
X1BX1CX2X3
X5X6X8
23456123451234568 79
1234123456
X7
12345123456789
1011
p
bk
r
bk
PCB
Earth
Timer
Link
y/g
br
b
bk
bk
b
b br
y/g
- blue
- black
- brown
- red
- pink
- yellow
- white
- yellow/green
- grey
- orange
- violet
b
bk
br
r
p
y
w
y/g
g
or
v
KEY
p y
bk
bk
bk
b
y/g
br
y/g
y/g
bk
b
bk
b br
bk v
y/g
y/g
1 2 3 4 5
1 2 3 4 5
bk
bk
b
b
b
br
bk
r
rrr r
r
Water
Flow
Turbine
Water
pressure
Switch
Flow
Thermistor
Return
Thermistor
Service
Connector
Flame
Sensor
Electrode
Fan
Spark
Electrode
Spark
Generator
Gas
Valve
Divertor
Valve
Pump
Room
Stat
Main
Supply
Frost
Stat
INSTALLATION

Table of Contents

Related product manuals