EasyManua.ls Logo

IDEC FC4A-C16R2 - Page 447

IDEC FC4A-C16R2
525 pages
Print Icon
To Next Page IconTo Next Page
To Next Page IconTo Next Page
To Previous Page IconTo Previous Page
To Previous Page IconTo Previous Page
Loading...
28: AS-INTERFACE MASTER COMMUNICATION
« FC4A MICROSMART USERS MANUAL » 28-7
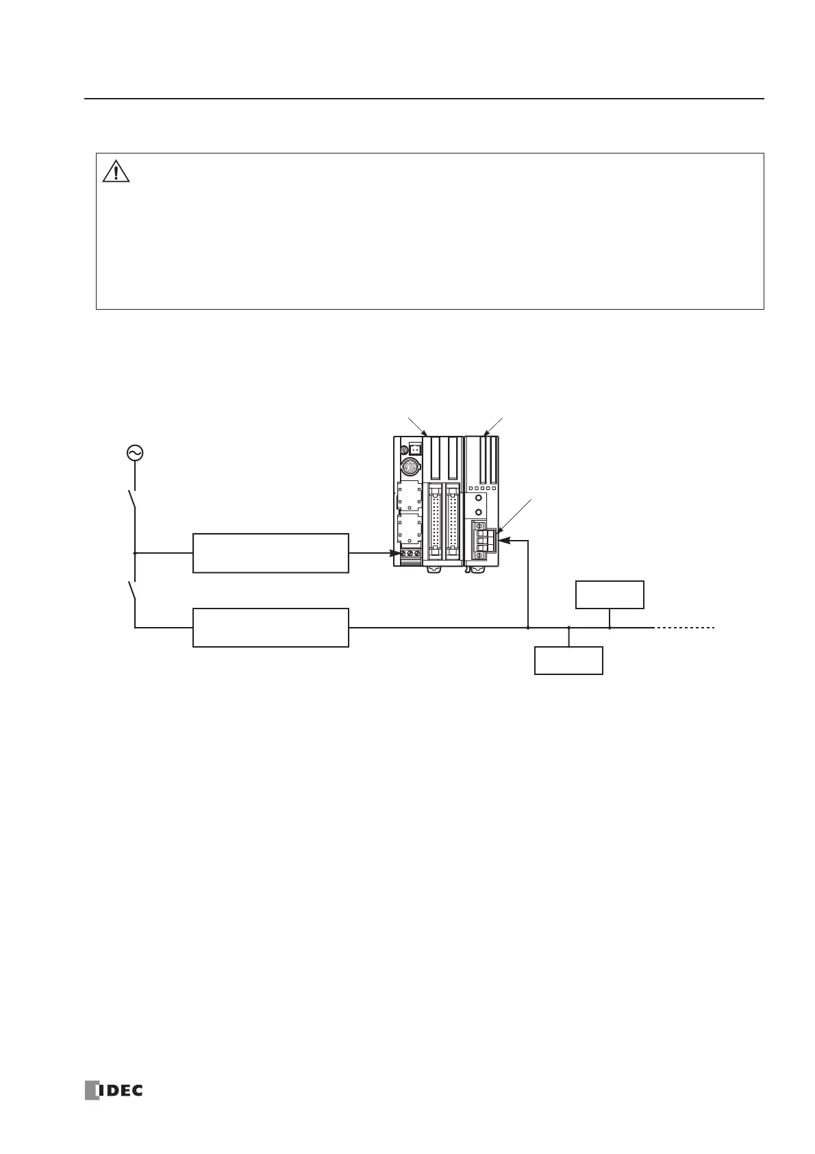
Power Supply
Power Supply Wiring Diagram
A recommended power supply wiring diagram is shown below. Use a common power switch for both the CPU module
power supply and AS-Interface power supply to make sure that both power supplies are turned on and off at the same time.
Note: A failed slave can be replaced with a new slave with address 0 without turning off the power to the CPU module and
the AS-Interface line. But, if power has been turned off before replacing the slaves, install a new slave with address 0 and
take one of the following steps, because the AS-Interface master module has to be initialized to enable communication.
Disconnect the AS-Interface cable connector and turn on both power supplies. Five seconds later, connect the AS-Interface
cable connector.
Turn on the CPU module power supply first. Five seconds later, turn on the AS-Interface power supply.
When turning off the power to the CPU module, also turn off the AS-Interface power supply. If the
CPU module is powered down and up while the AS-Interface power remains on, AS-Interface com-
munication may stop due to a configuration error, resulting in a communication error.
Turn on the AS-Interface power supply no later than the CPU module power supply, except when
slave address 0 exists on the network. The two power supplies may be turned off in any order.
Immediately after power-up, the CPU module cannot access slave I/O data in the AS-Interface mas-
ter module. Make the user program so that slave I/O data are accessed after special internal relay
M1945 (Normal_Operation_Active) has turned on. See page 28-24.
Caution
AS-Interface Power Supply
30V DC
Slim Type CPU Module
FC4A-D40K3
AS-Interface Master Module
FC4A-AS62M
Slave 1
Slave 2
AC Power
CPU Module Power Supply
24V DC
Power Switch
AS-Interface Power Switch (Note)
AS-Interface Cable Connector
VLSV (very low safety voltage)

Table of Contents

Related product manuals