EasyManua.ls Logo

IFR COM-120B - Page 165

IFR COM-120B
182 pages
Print Icon
To Next Page IconTo Next Page
To Next Page IconTo Next Page
To Previous Page IconTo Previous Page
To Previous Page IconTo Previous Page
Loading...
r
1
2
3
4
5
6
7
A
B
c
o E
F
G
H
J
K
I
J5
I
.,
o
Q
o
o
J<dlO
~
(S""
TRA1')
Y '\7
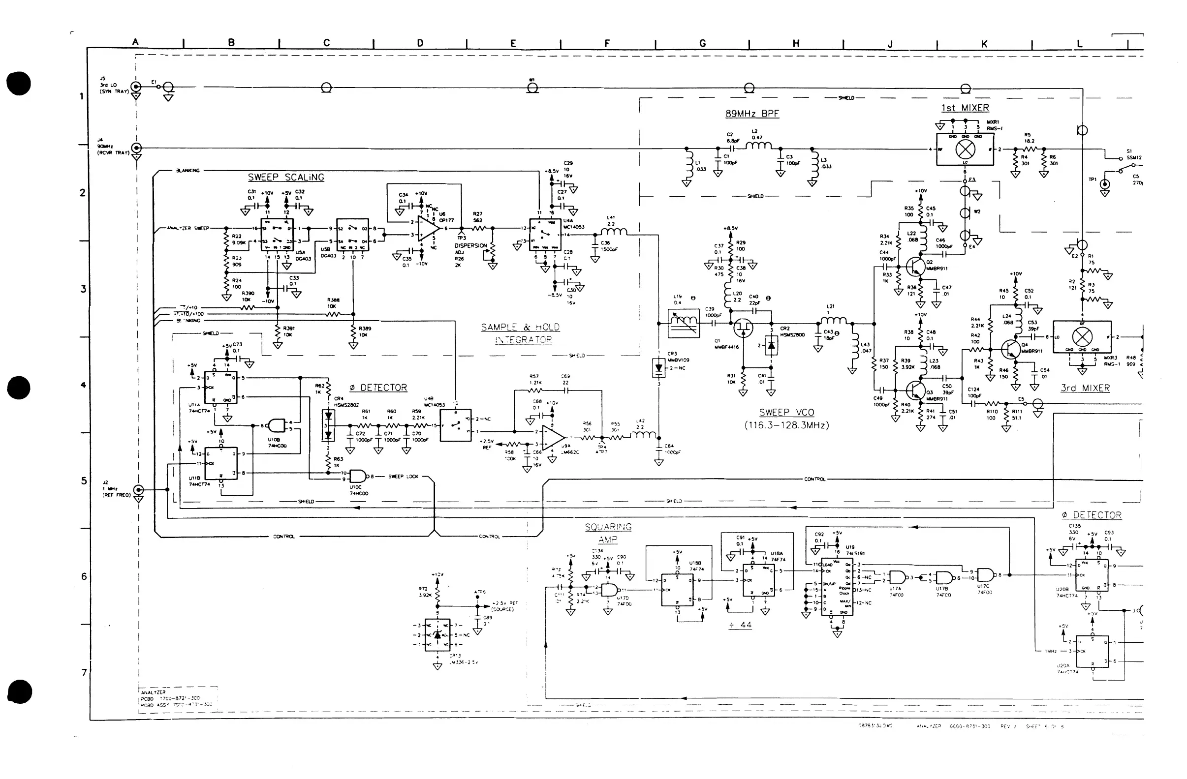
89MHz
BPF
--SHElJ)-
1
st
MIXER
=TR"1'}!r==;;~:====-
_____
~I_--.~
I
3UNKING
-----~~:E!~~~~~f----------------~======-
= a U
i
;~"'~:""~_P--1+~S_C~NG
~
J
I·~~~
~~~~]~~~;0ClI>F--1~~---------·t
1(5,9:6
1
+'-
-'-A~;""2"""-R-6--L-
~
,:'><
~'
~
~,
8
2fY.'
~
:,'":~
11
'6
~
I --SHlEl.O--
~
I
+10V
l
SI
SSiAI2
~
WI
~
C5
~
270,
i
,
J2
I
,
.....
(R(F
FREO)
I
,
l
,
,
,
I
I
I
,
,
I
"J811
10K
!_
---
-
5Ht£Ul--
..
5-v
C1J
~'
..
5V
..
14
rw
t20'
""
3 Q
5---------.~---
u1tA
..,..,"
6
______
.J..-
74H(n4
1 1
'9
L
--5>OElD
--
}-
--.,.--.MI'-
....
---
u.a"
l41
6
J.
S 11'3 UO<O!>J
22
, I
l4'-
__
-a~
~
~
'OC
~ER$lC>l
9
0.'
-10Y
'/J
DETECTOR
"26
2K
SAMPL::
&:
HOLD
l\~
~EGR
,t.,
TC;R
--y..(Lw
--
C~~
----------------------/
+1'::,"
:.~.
!
9'
_\l}!~-2
~
I
I
I
I
i
'I
~~----
y..·t_:'--
rh~~V109
L:fJ-
1
-
NC
J
---SHH
.
.J
--
..
e
L4J
.047
RJ4
2.2'k
R33
1K
R37
ISO
L
+IOV
t+~~~l~
I J 5
..
XRJ
R<e
~
~
;~
'-9
".,-,
-
~
'O(V
3rd
MIXER
SWEEP
VCO
(116.3-128.3MHz)
""0
"'"
:Q~::------------
~
E5
100
511
9'
0/
'/J
DETECTOR
CU5
~~o
+5v
C9J
~
+ "
0.'
""
J==----------
+5V,
I.
i.
I
~
""
2 .l v
14
10
'"
6::;;'-'0
=D L
L-
f
',gS,
_""'...,f\!J'
....
--=.--~Od~
7--,2
J--c;
6-,;D8----+---
'2
aVec
Q 9
---
0....
'~C
C,17.
"
OK
7
4~OO
U178
U17C
....
/
'2-NC
7
..
CO
7.rOO u20B
GND.
0 8
---
"'"
74HCT74
7 1 j
'9
+5v
j
c(
.5-;
+
to:
05
1\4Hz
-
~
CI(
_'L'JA
~
'!
6
!4"'~
-
74
,
en
·5v
~~
U'9
Wr---I'6_:..:7"S191
e
'9
L--
GC00-
P.l
~1
- JOJ
PE'/
J
Scans by ArtekMedia © 2008

Other manuals for IFR COM-120B

Related product manuals