EasyManua.ls Logo

IFR COM-120B - Page 166

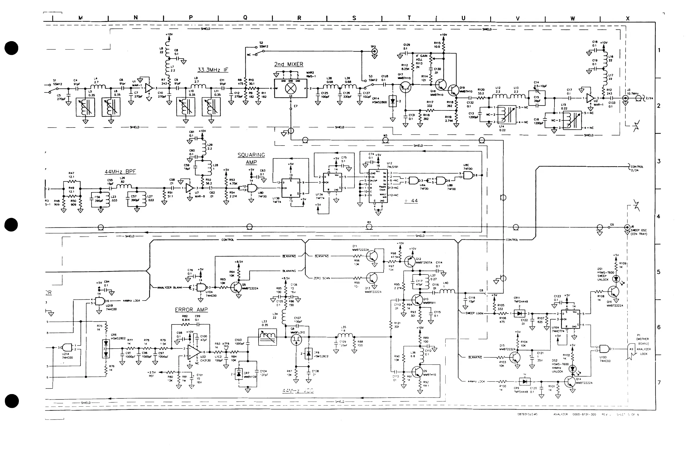
IFR COM-120B
182 pages
Print Icon
To Next Page IconTo Next Page
To Next Page IconTo Next Page
To Previous Page IconTo Previous Page
To Previous Page IconTo Previous Page
Loading...
.----,
I
51
C4
--0
SSOI12
91pF
e4
2-7
~
2~~
--+--,
"J
R.7
12-1
N
r--
I
.'OY
~
~p~
G
••
91
;y~~
!II",
..
""-1
D-'
L-"-l-6"'~
I 4 ClO
_-t-_o._J,S
~
2~
V
2~
~
--94I£Ul--
44MHz BPF
L2e
.82
p
---SH[U)---
33.3MHz
IF
1.9
2-7
C61
+10V
Q
R
S2
SSWt2
He
2nd
MIXER
I
Yl<R2
'i§'
I l :I
IlUS-I
RlI
,"0
+-(fl
+
07S
XU
"11
182
&
£7
SQUARING
AMP
.~v
+5v
C6J
t
~
0.1
'0
r:~
f-l-[>.J
L
..
-----...,-RS"1'
4
u7
51.1
9
"JIR-8
14
~
'0~
Q 9
12~11
___
"
1---"'--~t~U80
" C 8
7
74F00
woe
...
~'IJ
0'
s
T
u
---9On/)-
.'OV
Cl1.
o.I~~
___
~
__
~_--,
~.
T;~~14
riL2
9
HSloOS2800
ltf
l
I
CIlI
9
~Ol
-SHnD-
~
IOJ
--=-~~SHIE_LD-
___
ll
WAX/
12-NC
44
v
w
CIS +IOV
0.1
e17
~
...
_
...
__
0;'1-_
'-t>-ul
"""-I
L15 ........
0.22
~
e16
~c_:f3"'Wt:l_NC
l200pF
lutLJ.
-NC
--
--
SHlELD--
I
I
I
I
I
I
I
I
I~.
711Hz
t.
~,~
I
~
0-""
I
JLt
--------------------~c~mQ
-
~2/J.
9
'0'"
'~
8
~
S _
_='_~::_:~::::~::_=~;;:;;;~-=::::;;~~~:::::;~::::~~~::~~~::::~~:=;:~~=:::~~::::~~::::~~::::~~;;::~~~::::~::::::~.:~;:;:;;~;::.;::i~~~~~~==::::::==::::r::::::::::
-
$Hlno
-
r-------+CONTROI.
1-10V
CCH"'Ol
SrHELD--
eTa
01
£6
o
r~
I
I
~
J6
SWEEP
ose
(eEN
mAY)
+5\1 C94
0.1
H~
_
'~6Y7_
5-YU219
~
74HCOO
R75
'K
-
SHtELD--
,.
~:rI..OCK
C16
-.5V
~~
W-
14
~1~J
........ 'I1IR
8lANJ<~2"Lr-{'0'
7
74HtOO
9
ERROR
AMP
R82 C99
6.81K
0.1
C9l!
.10V
I
~:
~~
ff;~~
·2
5v
...
-~
C'O'
~EF
~80
R81
10
'OK
'\1
T 16V
.
'2
Raj A
we
11(
T?5
C'OJ
,
000c>"
C1C2
~84
'00pf
~
IOK
J
-
---,
mLj-7 -
:;~:,
21!J
___
'C9
,
~
--~-t:~
--
"88
lCO
..
L<O
£8
t123
+5v
Lll----.---
__
, +5V
CRl1
~~
ellS
ill: !\fPO .... 48
"\f7
-
T
lOpE'
I R105 2 0
,.
1--
!
W m 1
r.:-:-,
Jpu-2
0 S
·"0
SWEEP
LOO<
t:!!:t
Rl07
J
CK
I
R106
t122
~
~2~
~
m
~M
_
~
74HCT74 7
+5V
+Uv
9
+5V
e12'
10K
~'OO
CJii'9
(120
~!(
r",PQ4448
0.1
087931
HGN(.
CQG']
~7.~1-
JOO
,
2
3
4
5
6
7
Scans by ArtekMedia © 2008

Other manuals for IFR COM-120B

Related product manuals