EasyManua.ls Logo

IMC CRONOS-PL - Grounding with the Use of the Included Power Adapter; Grounding with Power Supplied by a Car Battery

IMC CRONOS-PL
53 pages
Print Icon
To Next Page IconTo Next Page
To Next Page IconTo Next Page
To Previous Page IconTo Previous Page
To Previous Page IconTo Previous Page
Loading...
imc CRONOS-PL/-SL/compact - Getting Started, Version 5 R 7 - 2018-06-28© 2018 imc Meßsysteme GmbH
Grounding with the use of the included power adapter 15
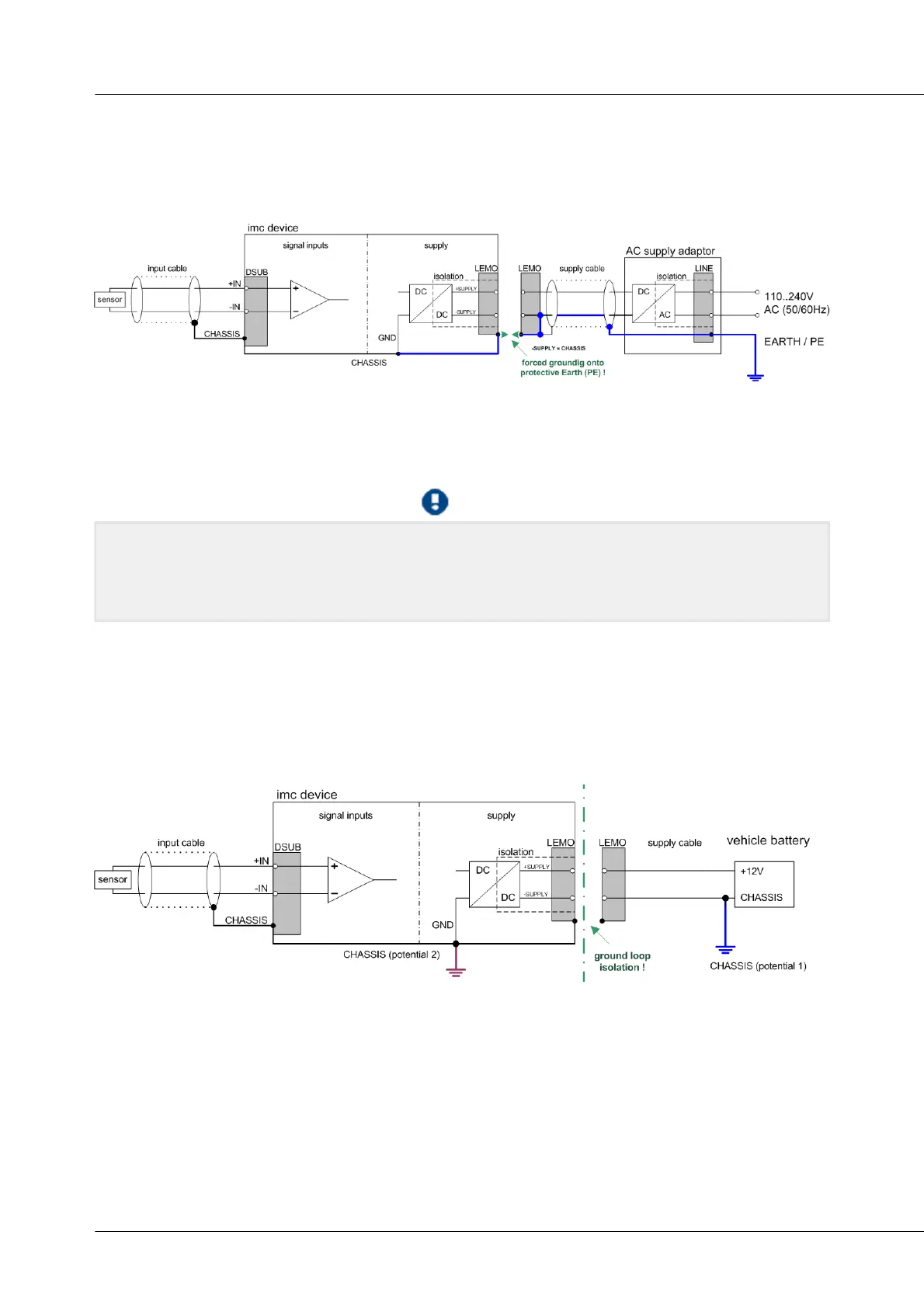
2.4 Grounding with the use of the included power adapter
The DC-supply input on the device itself (LEMO-plug, female) is galvanically isolated from the housing
(CHASSIS): -SUPPLY input is not connected to CHASSIS internally. That means the decive's internal power
supply circuitry comprises isolating DC/DC converter.
imc CRONOS-PL, imc CRONOS-SL and imc CRONOScompact with desktop power supply unit
Use of the desktop power supply unit, included in the package, ensures proper grounding via the plug's
protective earth terminal: in the supply unit's LEMO-plug, the supply voltage's (-) pole as well as the
shield and plug enclosure are connected to the cable's ground.
Note
This was not the case with CRONOS-PL2. The DC-supply input on the device itself (LEMO-plug, female) is
not galvanically isolated from the housing (CHASSIS): -SUPPLY input is galvanically connected to CHASSIS
internally. That means the decive's internal power supply circuitry comprises non-isolating DC/DC
converter.
2.5 Grounding with power supplied by a car battery
If the power supply (e.g. car battery) and the measurement device are at different voltage levels, then if
they were connected by the supply line, it would cause a ground loop. For such cases, the isolated
internal device power supply ensures separation of the two voltage levels. The ground reference for the
measurement device must then be established in a separate step.
imc CRONOS-PL, imc CRONOS-SL and imc CRONOScompact powered by an isolated DC-voltage source (e.g. battery)
For running on an isolated DC power supply source (e.g. battery), either the grounding socket terminal, a
grounding contact on the device ("CHASSIS"), or the CHASSIS contact on the imc signal connectors must
be used.

Table of Contents

Related product manuals