EasyManua.ls Logo

Immergas EOLO Mini - Functional components and devices

Immergas EOLO Mini
31 pages
Print Icon
To Next Page IconTo Next Page
To Next Page IconTo Next Page
To Previous Page IconTo Previous Page
To Previous Page IconTo Previous Page
Loading...
Technical documentation
Technical documentation
STEME ed 07/03
23
EOLO MINI
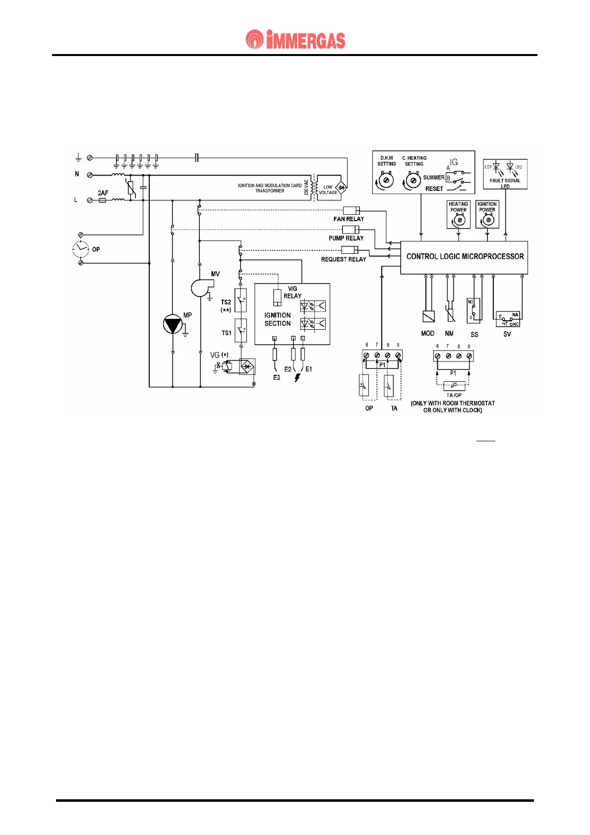
ELECTRICAL CIRCUIT
DOMESTIC HOT WATER PHASE
(*) the main coils of the gas valve run at mains voltage rectified by means of a diode jumper only
on the
Honeywell VK 4105 gas valve (diode jumper fitted on the valve connection connector)
(**) the overheating thermostat TS2 equipped the boiler until the serial number 2238340
Operation
When main switch (IG) is in SUMMER position, it powers the ignition and modulation board and
enables operation in d.h.w. phase.
When the domestic hot water microswitch (SS) is closed, following a d.h.w. request, the adjustment
circuit starts the circulator (MP) by means of the PUMP RELAY contact.
If the low-voltage circuit reads, by means of the NTC delivery sensor (NM), that the temperature of
the water is below that set on the control panel by means of the hot water potentiometer (D.H.W.),
the board starts the fan (MV) by triggering the FAN RELAY.
The consequent closing of the flue pressure switch (SV) causes the adjustment circuit to power the
REQUEST RELAY.
This way, the board ignition circuit is enabled (IGNITION SECTION) which first of all triggers the
ignition electrodes (E1 - E2) and then excites the RELAY V/G.
With the consensus of the overheating thermostats (TS1 and TS2 ), the closing of the RELAY V/G
contact energises both coils of the gas valve (VG).
Burner ignition is detected by the ionisation electrode (E3).

Other manuals for Immergas EOLO Mini

Related product manuals