EasyManua.ls Logo

Immergas EOLO Mini - Electrical circuit

Immergas EOLO Mini
31 pages
Print Icon
To Next Page IconTo Next Page
To Next Page IconTo Next Page
To Previous Page IconTo Previous Page
To Previous Page IconTo Previous Page
Loading...
Technical documentation
Technical documentation
STEME ed 07/03
22
EOLO MINI
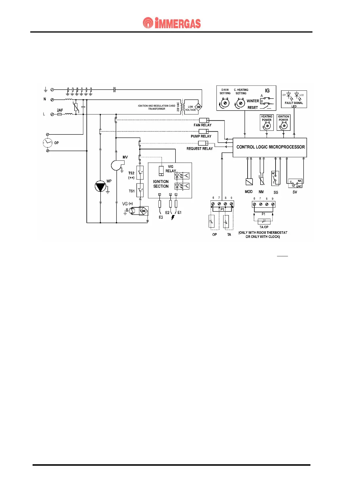
ELECTRICAL CIRCUIT
HEATING PHASE
(*) the main coils of the gas valve run at mains voltage rectified by means of a diode jumper only
on the
Honeywell VK 4105 gas valve (diode jumper fitted on the valve connection connector)
(**) the overheating thermostat TS2 equipped the boiler until the serial number 2238340
Operation
When main switch (IG) is in WINTER position, it powers the low-voltage circuit and enables board
operation for central heating.
When the room thermostat (TA) contact is closed, the adjustment circuit starts the circulator (MP)
by closing the PUMP RELAY contact.
If the temperature read by the NTC delivery sensor (NM) is below that set on the control panel by
means of the central heating potentiometer, the board starts the fan (MV) by triggering the FAN
RELAY.
The consequent closing of the flue pressure switch (SV) causes the adjustment circuit to power the
REQUEST RELAY.
This way, the board ignition circuit is enabled (IGNITION SECTION) which first of all triggers the
ignition electrodes (E1 - E2) and then excites the RELAY V/G.
With the consensus of the overheating thermostats (TS1 and TS2 ), the closing of the contact of
RELAY V/G powers both coils of gas valve (VG).
Burner ignition is detected by the ionisation electrode (E3).
NOTE: Every time the boiler shuts off after reaching the set temperature, the adjustment circuit
stops burner operation in heating phase for 180/30 seconds.

Other manuals for Immergas EOLO Mini

Related product manuals