EasyManua.ls Logo

Immergas EOLO Superior PLUS 24 - Electrical Circuit

Immergas EOLO Superior PLUS 24
27 pages
Print Icon
To Next Page IconTo Next Page
To Next Page IconTo Next Page
To Previous Page IconTo Previous Page
To Previous Page IconTo Previous Page
Loading...
Technical documentation Technical documentation
STESP ed 02/02
14
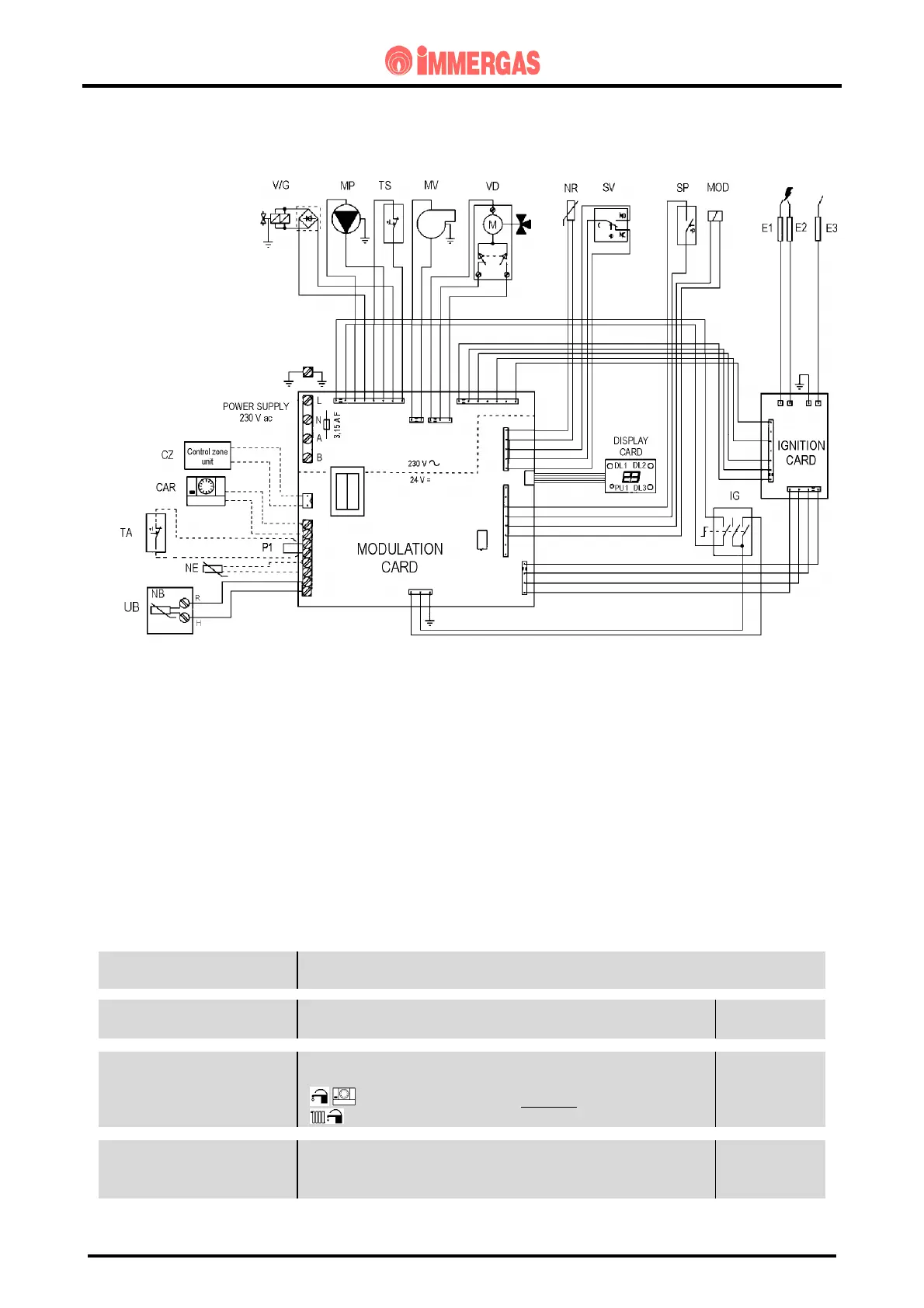
EOLO SUPERIOR PLUS
ELECTRICAL CIRCUIT
CAR Remote control
CZ Control xone unitt
DL1 Central heating operation LED
DL2 D.h.w. operation LED
DL3 Flame LED
E1/E2 Ignition electrodes
E3 Detection electrode
F Fuse
IG Main switch
MOD Modulation coil
MP Circulator
MV Fan
NB D.h.w. NTC sensor
NE External sensor (optional)
NR Central heating NTC sensor
P1 Room thermostat bridge
PU1 Reset button
SP Pump pressure switch
SV Flue pressure switch
TA Room thermostat
TS Overheat. safety thermostat
UB Storage tank unit
VD Electric three-way valve
V/G Gas valve
The electric circuit is interlocked with a microprocessor electronic board that controls boiler functions.
The control and safety devices work in part at mains voltage and in part at low voltage.
230 V AC CIRCUIT
SAFETY DEVICES AND CONTROLS
Detection electrode (E3)
This detects ignition of the burner by whose flame it is invested.
It is connected to the detection circuit of the ignition unit.
Fuse
This interrupts power to the circuit when amp draw is over 3.15 A.
It is fitted on the modulation board.
Fuse
3.15 A 250 V
Depending on position, this allows:
Main switch
(IG)
0 - circuit not powered
- d.h.w. and CAR function (optional)
- d.h.w. and central heating function.
3-position switch
Overheat. safety device
(TS)
When the safety temperature (100 ºC) is exceeded, this interrupts power
to the main coils of the gas valve.
It is positioned on the flow pipe at the primary exchanger outlet.
Clicson double-
contact
thermostat

Related product manuals