EasyManua.ls Logo

Immergas EOLO Superior PLUS 24 - Page 18

Immergas EOLO Superior PLUS 24
27 pages
Print Icon
To Next Page IconTo Next Page
To Next Page IconTo Next Page
To Previous Page IconTo Previous Page
To Previous Page IconTo Previous Page
Loading...
Technical documentation Technical documentation
STESP ed 02/02
18
EOLO SUPERIOR PLUS
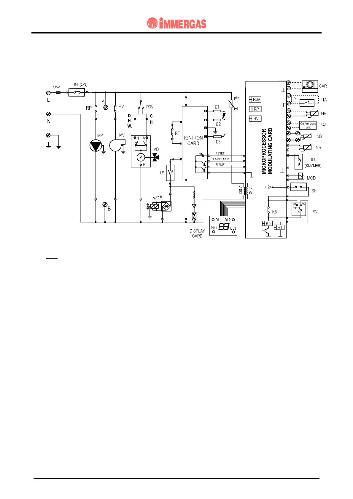
ELECTRICAL CIRCUIT
D.H.W. PHASE
(*)only on the Honeywell VK 4105 gas valve, the main coils are powered at mains voltage by means of a
diode bridge (fitted in the connection connector)
Operation
When the main switch (IG) is in SUMMER or WINTER position, it powers the modulation board and
enables operation in d.h.w. mode.
When the temperature read by NTC d.h.w. sensor (NB) is below that set on the control panel (or on the
CAR if fitted), the adjustment circuit starts the pump (MP) by means of the contact of relay RP.
The circulation of water causes the pump pressure switch (SP) to close and, because this is connected in
series with the NC contact of the fume pressure switch (SV), the coil of relay K5 is energised.
Meanwhile, the adjustment circuit causes the deviation of the relay contact R3V.
This way, the motor (M) is powered of the 3-way valve (VD), which continues to operate until the limit
switch "N" opens once the d.h.w. position has been reached.
The low-voltage circuit excites the relay K5 and starts the fan (MV) commanding the relay RV.
The consequent deviation of the flue pressure switch (SV) powers the relay RT the contact of which, on
closing, enables the control unit (IGN. CARD) to start the ignition cycle, commanding first of all the
ignition electrodes (E1-E2) and then, with the consensus of the overheating thermostat (TS), both the
main coils of the gas valve (V/G).
Ignition of the burner is detected by the control unit (IGN. CARD) by means of the ionisation electrode
(E3).

Related product manuals