EasyManua.ls Logo

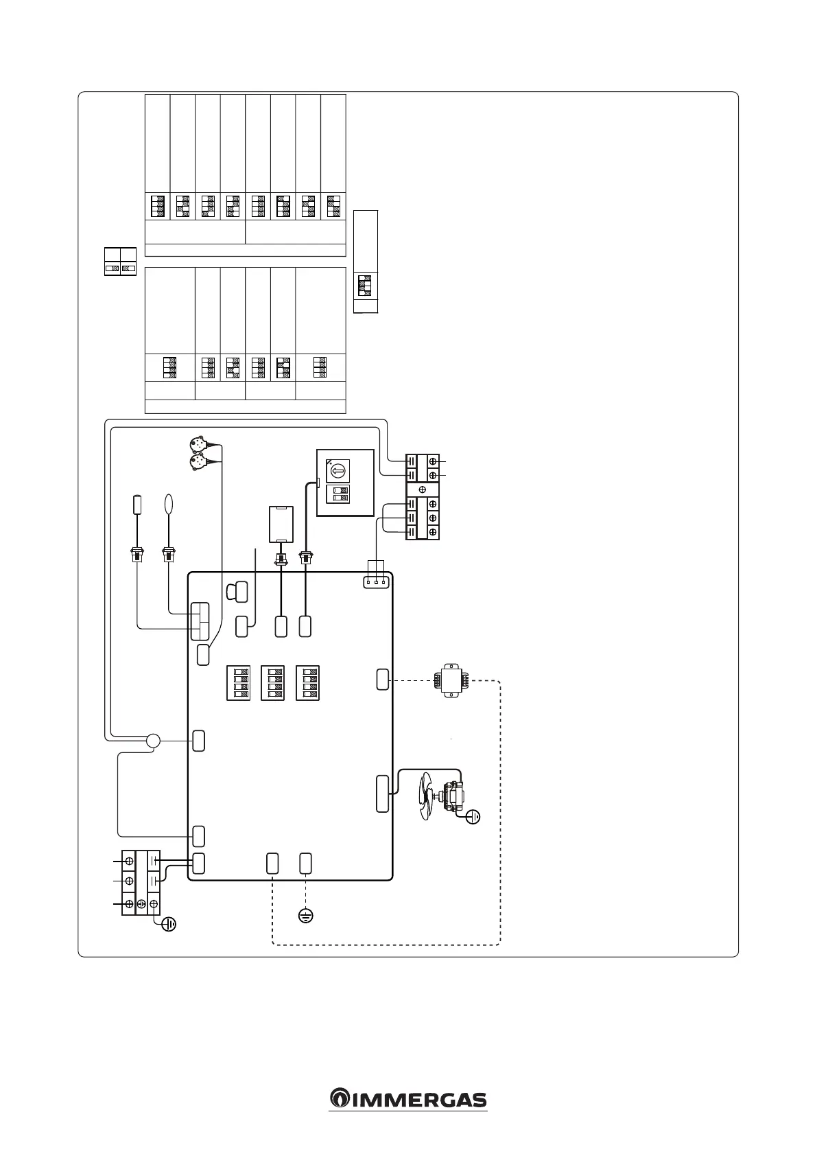
Immergas Hydro 3 - Detailed Fan Coil Wiring Diagram

Immergas Hydro 3
Print Icon
To Next Page IconTo Next Page
To Next Page IconTo Next Page
To Previous Page IconTo Previous Page
To Previous Page IconTo Previous Page
Loading...
40
3
S2-1/2
S2-3/4
Temp.compensation value is
0 under cool mode(default)
Temp.compensation value is
1 under cool mode
Temp.compensation value is
2 under cool mode
Temp.compensation value is
3 under cool mode
Temp.compensation value is
3 under heat mode(default)
Temp.compensation value is
1 under heat mode
Temp.compensation value is
6 under heat mode
Temp.compensation value is
8 under heat mode
S2
ON
1 2 3 4
ON
1 2 3 4
ON
1 2 3 4
ON
1 2 3 4
ON
1 2 3 4
ON
1 2 3 4
ON
1 2 3 4
ON
1 2 3 4
S1-1
S1-2
S1-3
S1-4
RESERVED
Without enforcement
to turn wind(default)
With enforcement
to turn wind
Normal anti-cold
wind(default)
High temperature
anti-cold wind
S1
ON
1 2 3 4
ON
1 2 3 4
ON
1 2 3 4
ON
1 2 3 4
ON
1 2 3 4
ON
1 2 3 4
0
1
POWER
CN10
EYX
N L
BLUE
WHITE
BLUE
DC FAN
CN24
S3
1 2 3 4
ON
S2
1 2 3 4
ON
S1
1 2 3 4
ON
T2C T1
CN5
CN31 CN32
CN2
SWING
EARTH
G/Y
G/Y
CN23
E
Y
X
CN21
G/Y
DC FAN
M
M
CN28
CN1
TRANS IN
TRANS
CN27
21
POWER IN
BROWN
ACN
CN29
VALVE-C
CN7
BLACK
XT1
XT2
ON/OFF CONTROL FROM HYDRO
DISPLAY
BOARD
XP4XS4
SWITCH BOARD
DEFAULT SETTING
SW1
1 2
ON
ENC2
V1
BLACK
GRAY
EARTH
XS5 XP5
XP2 XS2
T2C
XP3 XS3
T1
BROWN
BLUE
CN15
RESERVED
S3
1
ON
2 3 4
RESERVED
CN18CN3
ON/OFF
ENTRY FOR DISABLING HYDRO
Key
CN1-32 - PCB Board Sockets
DC FAN - Indoor DC Fan Motor
M - Swing Motor
T1 - Room Temperature
T2C - Pipe Temperature
XP 2-5 - Connectors
XS 2-5 - Connectors
XT1 - 3-Way Terminal
XT2 - 5-Way Terminal
Fan coil wiring diagram.
Circulation for temperature detection.
When activated, it allows low-speed air to circulate at regular
intervals for more precise control of room temperature.
Temperature oset for valve closure.
Allows you to select at which temperature below/above the
set point to close the 2-way valve
Cold anti-fan function.
Prevents the unit from remaining on in heating mode when
the inlet water temperature is too cold

Related product manuals