EasyManua.ls Logo

Immergas MINI NIKE 3 E - Page 9

Immergas MINI NIKE 3 E
47 pages
Print Icon
To Next Page IconTo Next Page
To Next Page IconTo Next Page
To Previous Page IconTo Previous Page
To Previous Page IconTo Previous Page
Loading...
7
STMiN3E ed 09/11 MINI NIKE 3 E
Technical Documentation
Technical Documentation
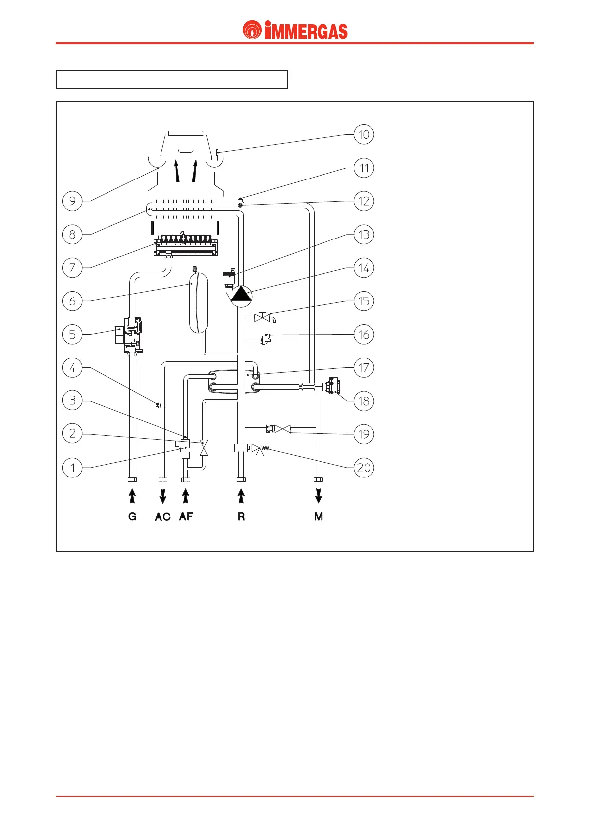
Key:
1 - Domestic hot water ow switch
2 - System lling valve
3 - Flow limiter
4 - Domestic hot water probe
5 - Gas valve
6 - System expansion vessel
7 - Burner
8 - Primary heat exchanger
9 - Flue hood
10 - Flue safety thermostat
11 - Safety thermostat
12 - Flow probe
13 - Air vent valve
14 - Boiler pump
15 - System draining valve
16 - System pressure switch
17 - DHW heat exchanger
18 - 3-way valve (motorised)
19 - By-pass
20 - 3 bar safety valve
G - Gas supply
AC - Domestic hot water outlet
AF - Domestic cold water inlet
R - System return
M - System ow
MINI EOLO 24 hydraulic circuit
e hot water used for central heating and domestic hot water
is produced via a primary and a secondary circuit (DHW)
which are aected according to necessity.

Other manuals for Immergas MINI NIKE 3 E

Related product manuals