EasyManua.ls Logo

Immergas VICTRIX PRO V2 EU - Page 15

Immergas VICTRIX PRO V2 EU
144 pages
Print Icon
To Next Page IconTo Next Page
To Next Page IconTo Next Page
To Previous Page IconTo Previous Page
To Previous Page IconTo Previous Page
Loading...
VICTRIX PRO V2 35 - 55 - 60 - 68 - 80 EU
15
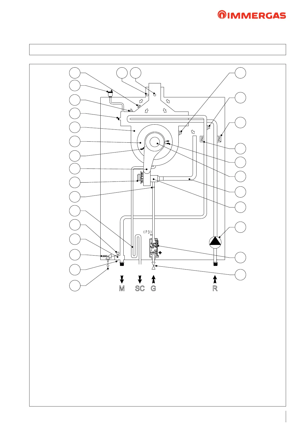
5 VICTRIX PRO V2 35  55  60  68  80 EU HYDRAULIC DIAGRAM
KEY:
1 - Draining funnel on view
2 - Boiler draining cock
3 - 4 bar safety valve
4 - Flow manifold
5 - Pressure transducer
6 - Condensate trap siphon
7 - Gas nozzle
8 - Air fan
9 - Manifold cover
10 - Ignition electrode
11 - Condensation module cover
12 - Condensation module
13 - Condensation module manual vent valve
14 - Flue probe
15 - Condensation module air vent valve
16 - ermofuse
17 - Air sample point
18 - Flue sample point
19 - Safety thermostat (manual reset)
20 - Overheating safety thermostat
21 - System return regulation probe
22 - System ow regulation probe
23 - Detection electrode
24 - Burner
25 - Air intake pipe
26 - Venturi
27 - Pump
28 - Gas valve
29 - Gas cock
M - System ow
SC - Condensate drain
G - Gas supply
R - System return
GSCM R
1
2
3
4
5
6
7
8
9
10
11
12
13
14
15
16 17 18 19
20
21
22
23
24
25
26
27
28
29

Related product manuals