EasyManua.ls Logo

IMO *G3D-250 - Page 19

Default Icon
36 pages
Print Icon
To Next Page IconTo Next Page
To Next Page IconTo Next Page
To Previous Page IconTo Previous Page
To Previous Page IconTo Previous Page
Loading...
19
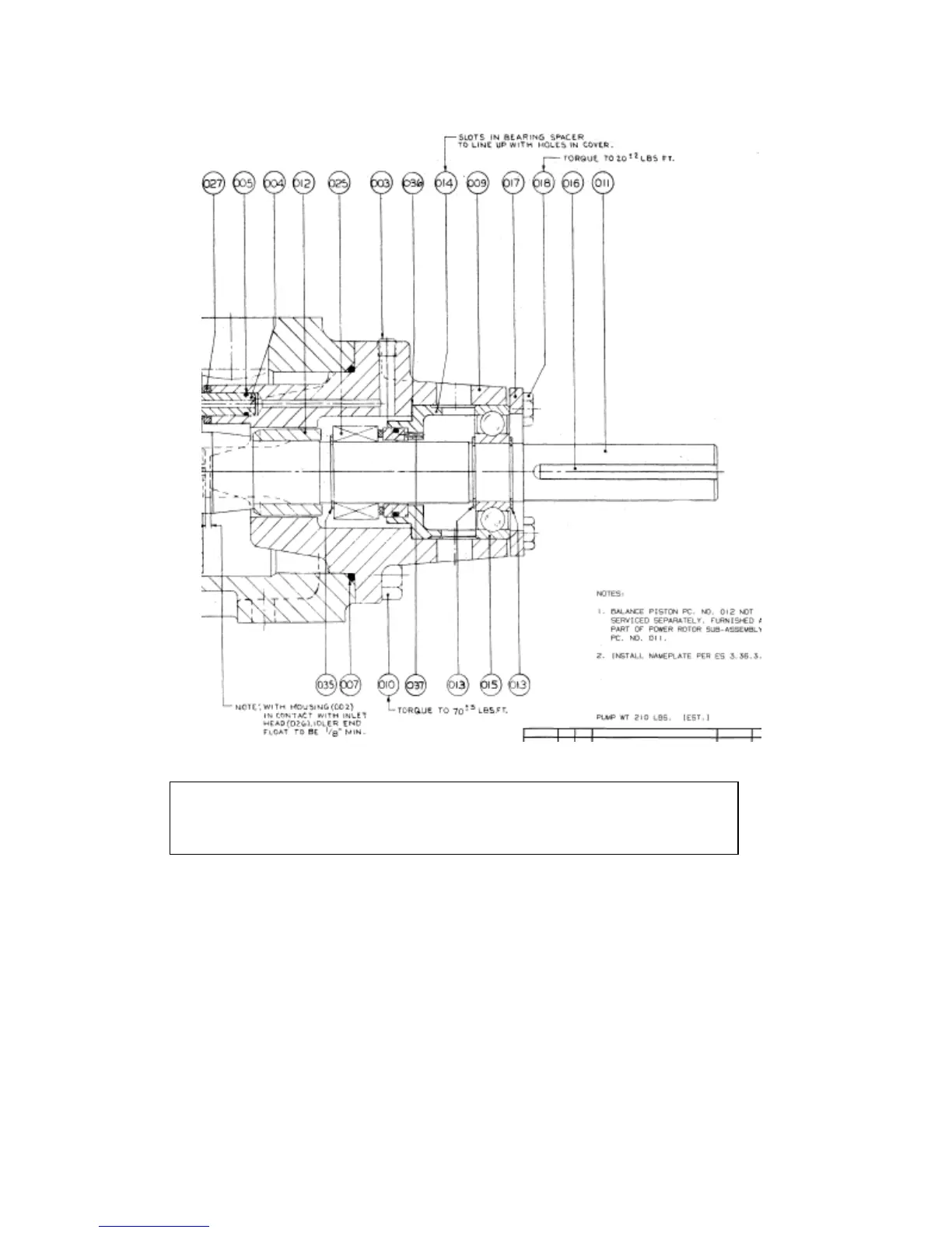
Figure 13. Type 2 O-ring Seat (Rotor Size 187 and 218) Type 8-1 and 21,
O-ring Seat (rotor Size 187 and 218), Sealot (Rotor Size 187), Type 8B3
(Rotor Size 187, 218, 312)

Related product manuals