EasyManua.ls Logo

IMO *G3D-250 - Page 20

Default Icon
36 pages
Print Icon
To Next Page IconTo Next Page
To Next Page IconTo Next Page
To Previous Page IconTo Previous Page
To Previous Page IconTo Previous Page
Loading...
20
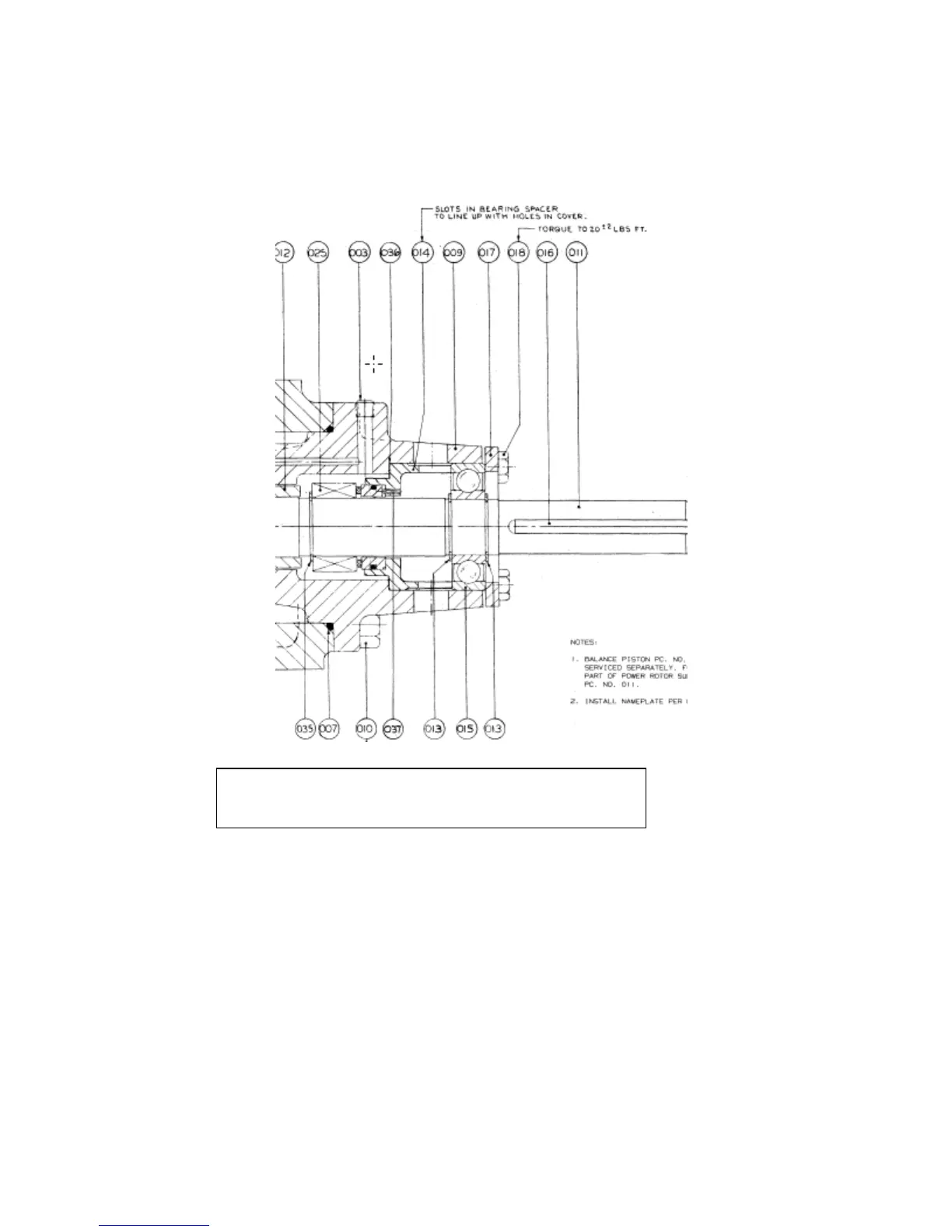
Figure 14. Type 2, 81 and O-ring Seat (Rotor Size 250)

Related product manuals