EasyManua.ls Logo

IMO *G3D-250 - Page 21

Default Icon
36 pages
Print Icon
To Next Page IconTo Next Page
To Next Page IconTo Next Page
To Previous Page IconTo Previous Page
To Previous Page IconTo Previous Page
Loading...
21
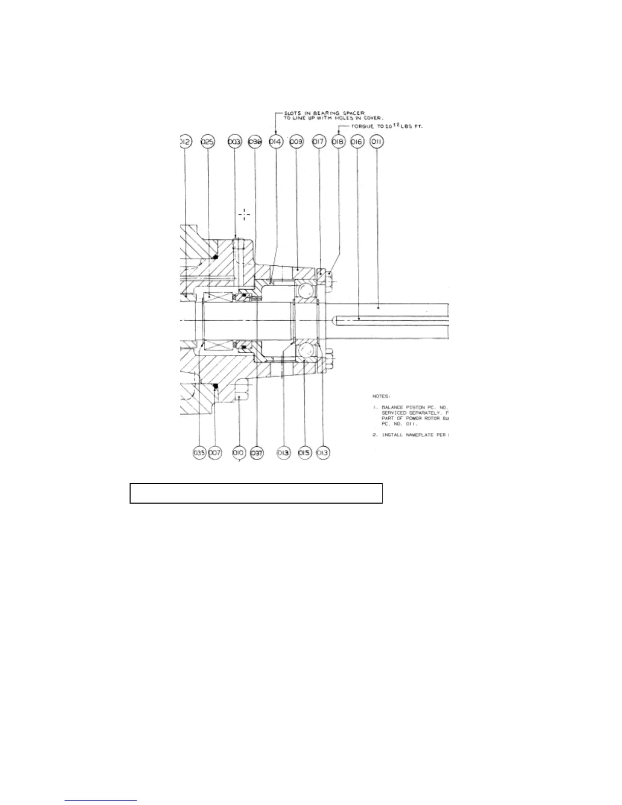
Figure15. Type BX (Rotor Size 187 through 250)

Related product manuals