EasyManua.ls Logo

IMO *G3D-250 - Page 22

Default Icon
36 pages
Print Icon
To Next Page IconTo Next Page
To Next Page IconTo Next Page
To Previous Page IconTo Previous Page
To Previous Page IconTo Previous Page
Loading...
22
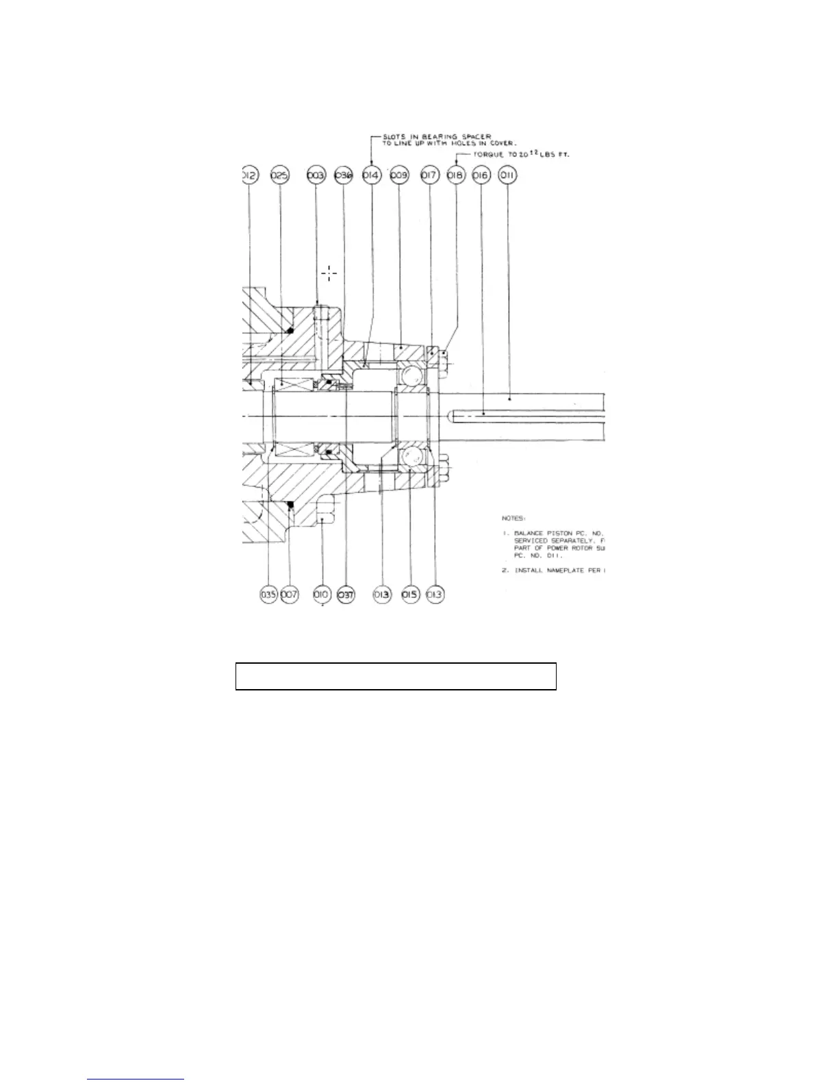
Figure16. Type 9B3 (Rotor Size 187)

Related product manuals