EasyManua.ls Logo

Infinity 610a - Amplifier Block Diagram

Infinity 610a
34 pages
Print Icon
To Next Page IconTo Next Page
To Next Page IconTo Next Page
To Previous Page IconTo Previous Page
To Previous Page IconTo Previous Page
Loading...
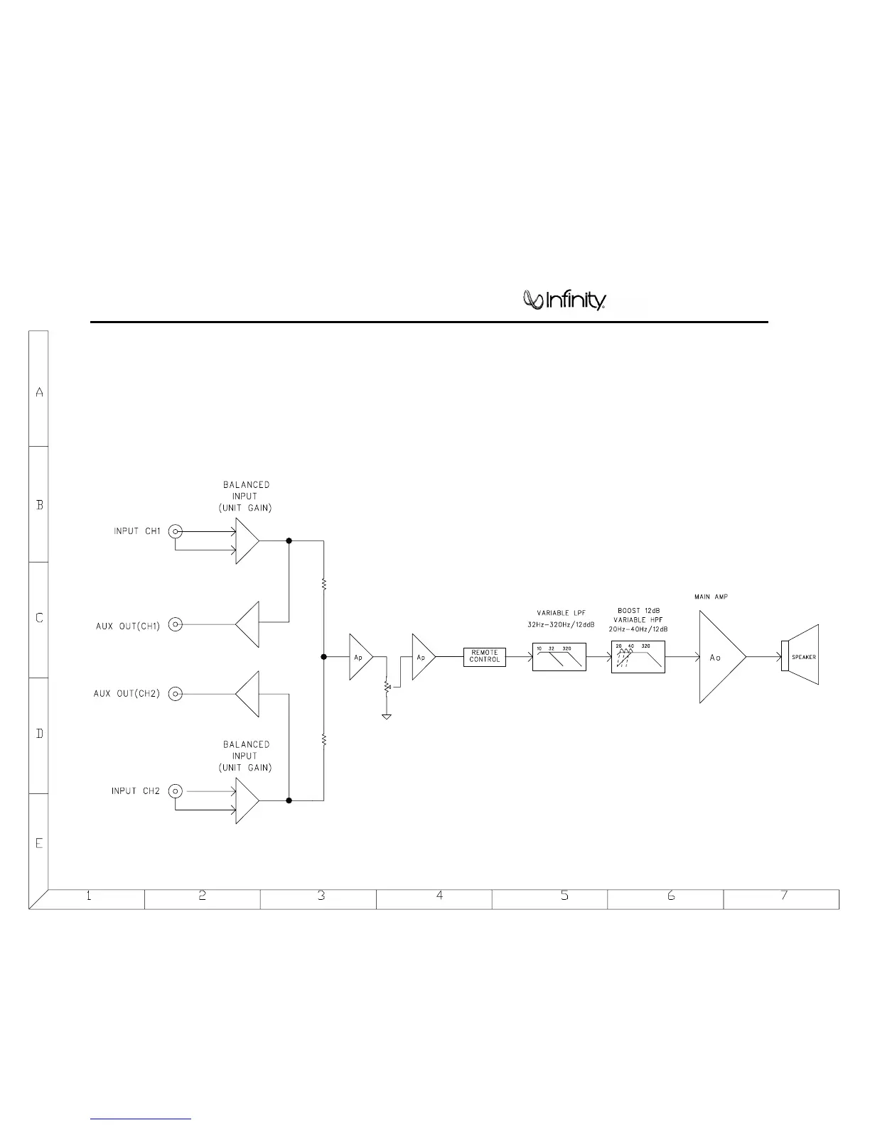
REF 610a/611a BLOCK DIAGRAM
Power Amplifier Reference 610a/611a
11

Related product manuals