EasyManua.ls Logo

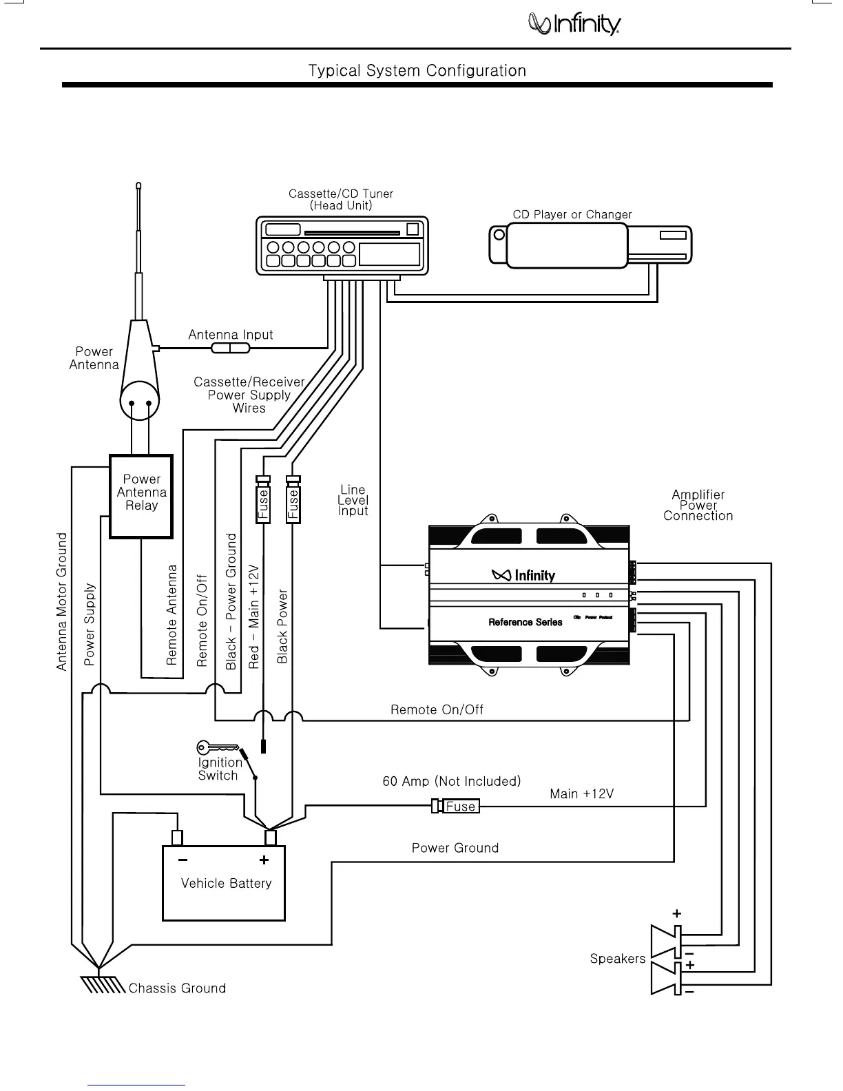
Infinity 610a - Typical System Wiring

Infinity 610a
34 pages
Print Icon
To Next Page IconTo Next Page
To Next Page IconTo Next Page
To Previous Page IconTo Previous Page
To Previous Page IconTo Previous Page
Loading...
Power Amplifier Reference 610a/611a
8

Related product manuals