EasyManua.ls Logo

Infinity 610a - REF 611 A SCHEMATICS

Infinity 610a
34 pages
Print Icon
To Next Page IconTo Next Page
To Next Page IconTo Next Page
To Previous Page IconTo Previous Page
To Previous Page IconTo Previous Page
Loading...

30
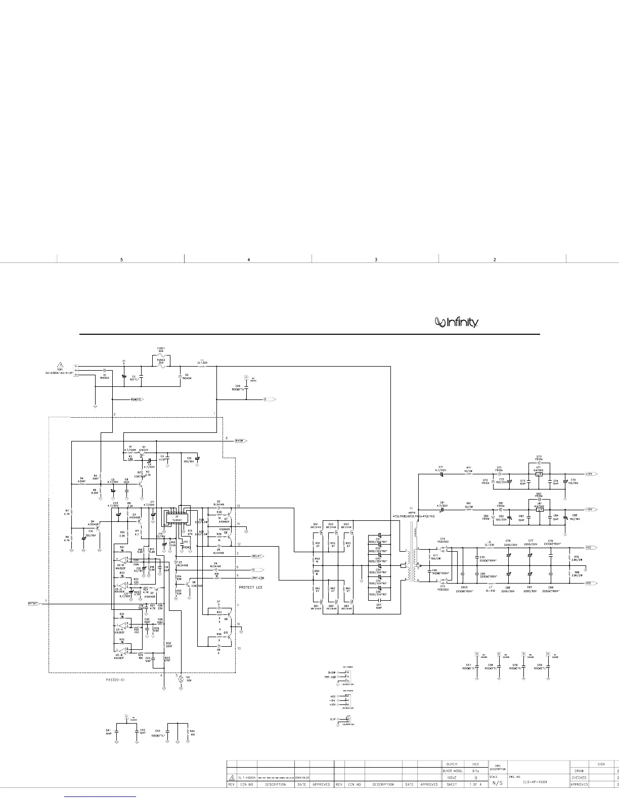
Power Amplifier Reference 611a
REF 611a SCHEMATIC PAGE 1

Related product manuals