EasyManua.ls Logo

Infinity Intermezzo 4.1t

Infinity Intermezzo 4.1t
45 pages
To Next Page IconTo Next Page
To Next Page IconTo Next Page
To Previous Page IconTo Previous Page
To Previous Page IconTo Previous Page
Loading...
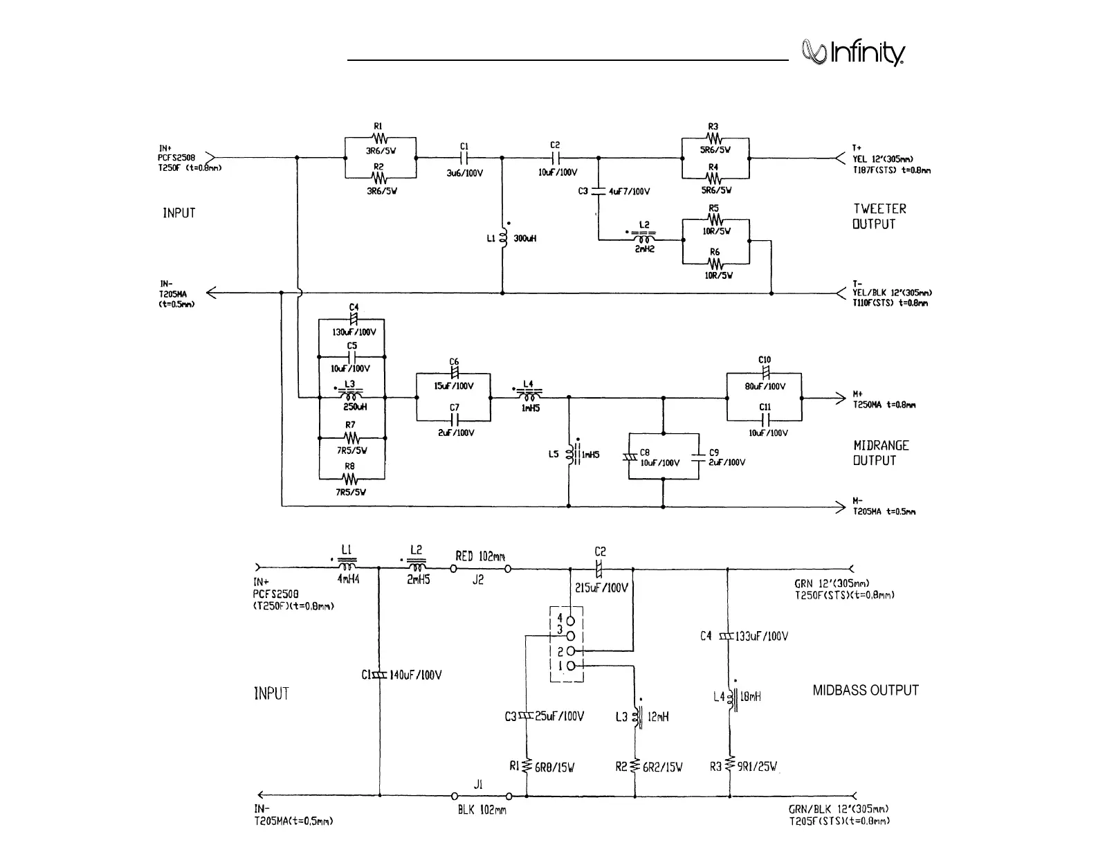
IM 4.1t PASSIVE NETWORK SCHEMATIC DIAGRAM
INTERMEZZO 4.1t

Other manuals for Infinity Intermezzo 4.1t

Related product manuals