EasyManua.ls Logo

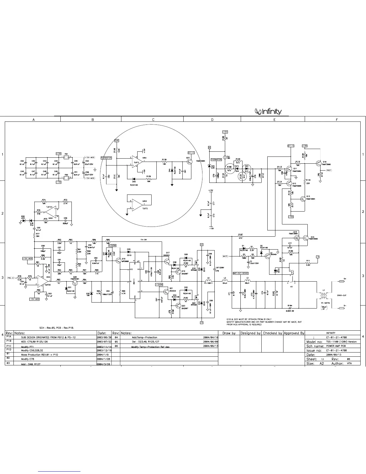
Infinity TSS-1100 - TSS-1100 Circuit Schematics

Infinity TSS-1100
24 pages
Print Icon
To Next Page IconTo Next Page
To Next Page IconTo Next Page
To Previous Page IconTo Previous Page
To Previous Page IconTo Previous Page
Loading...
TSS-1100
19

Related product manuals