EasyManua.ls Logo

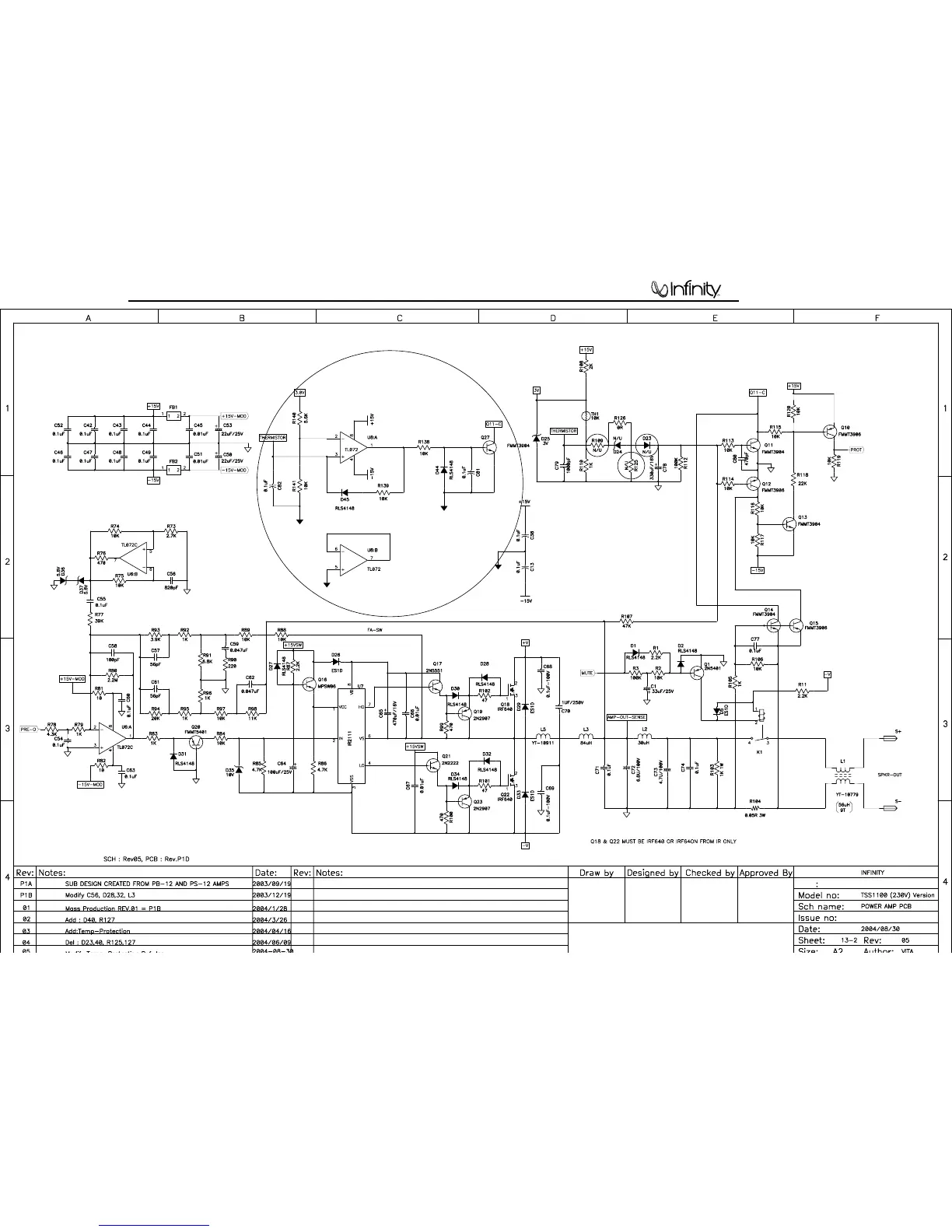
Infinity TSS-1100 - SCHEMATIC DIAGRAMS (230 V)

Infinity TSS-1100
24 pages
Print Icon
To Next Page IconTo Next Page
To Next Page IconTo Next Page
To Previous Page IconTo Previous Page
To Previous Page IconTo Previous Page
Loading...
TSS-1100
21
Circled area =THERMAL SENSE PCB
N/U = Not Used

Related product manuals