EasyManua.ls Logo

Ingersoll 4021 - 4200 Series Wiring Diagram; Electrical System Component Layout; Wire Color Code

Default Icon
38 pages
Print Icon
To Next Page IconTo Next Page
To Next Page IconTo Next Page
To Previous Page IconTo Previous Page
To Previous Page IconTo Previous Page
Loading...
26
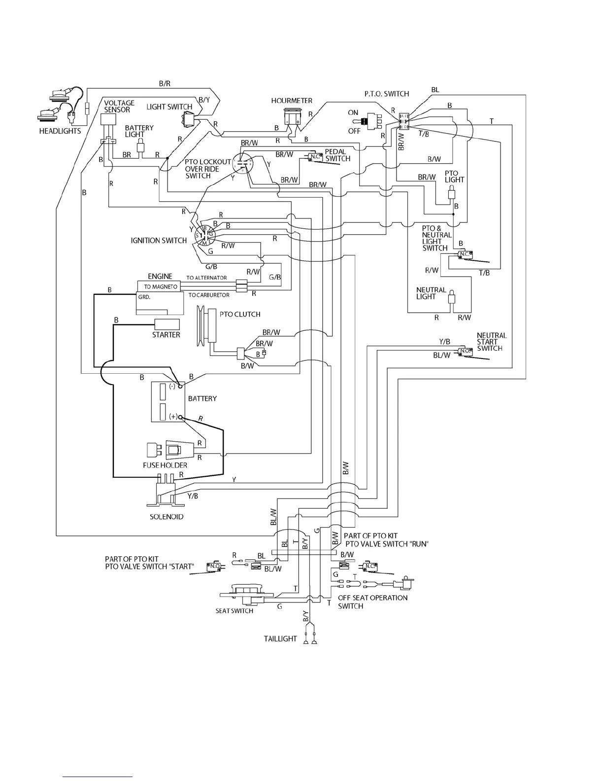
4200 SERIES WIRING DIAGRAM
With Rear Chassis PTO Wire Harness
FIGURE 14
COLOR CODE
B - BLACK
B/R - BLACK/RED
B/W - BLACK/WHITE
B/Y - BLACK/YELLOW
BR - BROWN
BR/W - BROWN/WHITE
BL - BLUE
BL/W - BLUE/WHITE
G - GRAY
G/B - GRAY/BLACK
G/W - GRAY/WHITE
R - RED
R/W - RED/WHITE
T - TAN
T/B - TAN/BLACK
Y - YELLOW
Y/B - YELLOW/BLACK
casecoltingersoll.com

Related product manuals