EasyManua.ls Logo

InSinkErator SS-100 - Introduction; Clean the Drain Line; Typical Installation; Required Tools;Materials

InSinkErator SS-100
16 pages
Print Icon
To Next Page IconTo Next Page
To Next Page IconTo Next Page
To Previous Page IconTo Previous Page
To Previous Page IconTo Previous Page
Loading...
4
Introduction
INTRODUCTION
The InSinkErator Foodservice food waste disposer is
UL
®
and cUL
®
Listed when installed in conjunction with
InSinkErator mounting adaptors and controls (see Figure
1 for typical installation).
See Table 1 (page 6) for the approved disposer/
mounting adaptor combinations.
Important – These installation instructions are for
the benet of the installing contractor. InSinkErator
and/or InSinkErator Factory Authorized Service
Centers do not make original installations. For technical
information not covered in these instructions,
contact the supplier, an InSinkErator Field Sales
Representative, or InSinkErator Foodservice Sales
and Service at 1-800-845-8345.
CLEAN THE DRAIN LINE
With a drain line auger, clear away all hardened waste
material in the horizontal drain pipe running from the
drain trap to the main waste line.
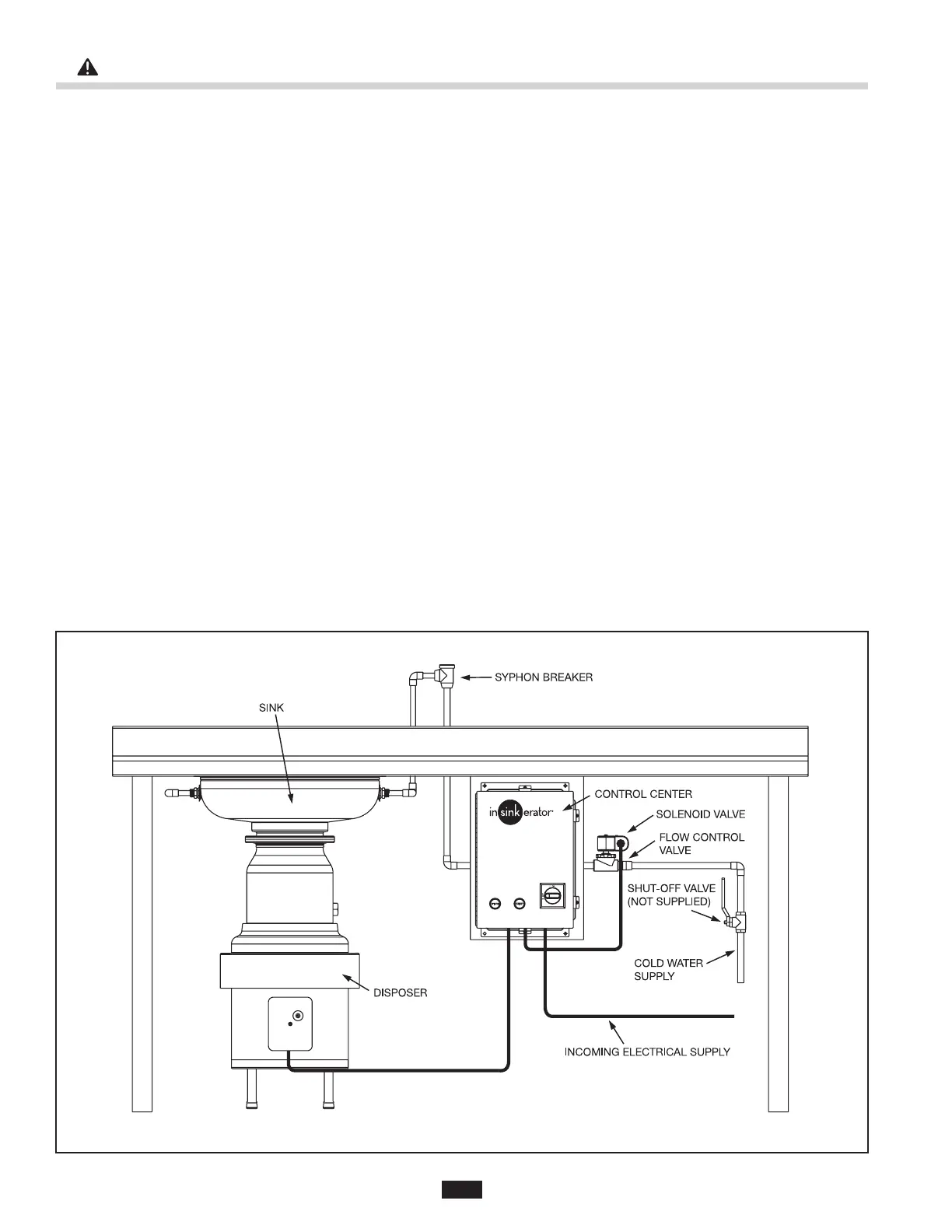
TYPICAL INSTALLATION
A typical Foodservice disposer installation incorporates
the following connections (see Figures 1 and/or 9):
Water shut off valve
Syphon breaker
Solenoid valve
Start/stop switch (Control Center)
Sink or trough
Flow control valve
REQUIRED TOOLS/MATERIALS
The following items are needed to install the disposer:
• Screwdriver
Adjustable wrench
Pipe wrench
Wire nuts
7/16" nut driver
The following items may be needed to install
the disposer:
Plumbing putty
• Hacksaw
Drain auger
Figure 1. Typical Installation
Read all warnings before proceeding.

Related product manuals