EasyManua.ls Logo

Integra DTR-8.2 - Preference

Integra DTR-8.2
89 pages
Print Icon
To Next Page IconTo Next Page
To Next Page IconTo Next Page
To Previous Page IconTo Previous Page
To Previous Page IconTo Previous Page
Loading...
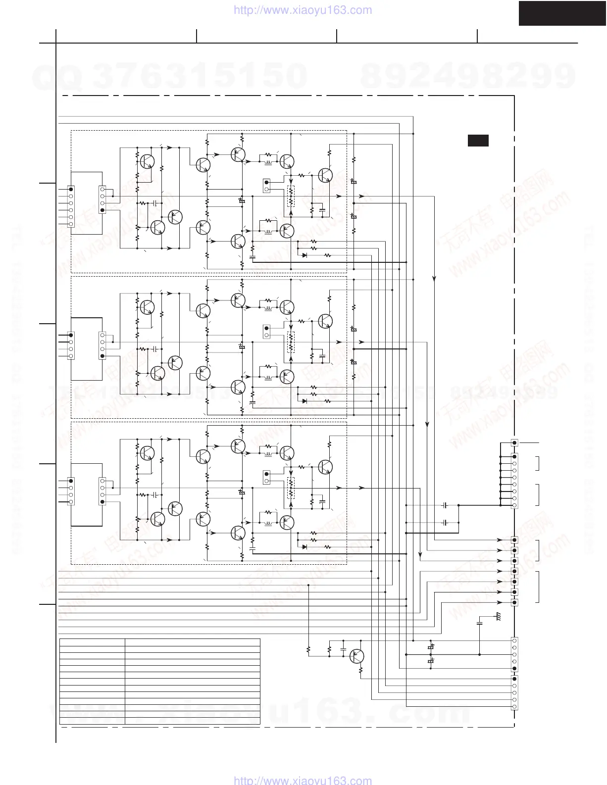
DTR-8.2
SCHEMATIC DIAGRAM 6-2
Power amplifier section 2
A
1
2
3
4
5
BCD
U21
P6008
TO NAETC-7236
TO NAETC-7237
(SCH.7-1)
(SCH.7-1)
C6533
104J
C6703
223Z
P6931A
TO NAETC-7238
(SCH.7-1)
P6952
TO NAPS-7234
(SCH.7-1)
P6810A
TO NAETC-7236
(SCH.7-1)
P6812A
TO NAETC-7237
(SCH.7-1)
P6812D
P6812C
P6812B
P6810C
P6810B
P6101
TO NAAF-7262
(SCH.4-2)
P6010
TO NAAF-7232
(SCH.5-2)
Q6052
Q6072
Q6002
Q6012
Q6032
Q6102
Q6051
Q6071
Q6001
Q6011
Q6031
Q6101
Q6050
Q6070
Q6000
Q6010
Q6030
Q6100
Q6703
Q6062
Q6022
Q6042
Q6092
Q6061
Q6021
Q6041
Q6091
Q6060
Q6020
Q6040
Q6090
C6532
103J
C6531
103J
C6042
103Z
C6032
473J/100
C6002
102J
C6041
103Z
C6031
473J/100
C6001
102J
C6040
103Z
C6030
473J/100
C6000
102J
R6042
1K
R6041
1K
R6040
1K
R6102
0.22
X2(5W)
R6101
0.22
X2
(5W)
R6100
0.22
X2
(5W)
P6082
ID+
ID-
P6081
ID+
ID-
P6080
ID+
ID-
D6002
D6001
D6000
P6011
TO NAAF-7232
(SCH.5-2)
P6012
TO NAAF-7232
(SCH.5-2)
P6002
TO NAAF-7232
(SCH.5-2)
P6001
TO NAAF-7232
(SCH.5-2)
P6000
TO NAAF-7232
(SCH.5-2)
L6002
L6012
L6001
L6011
L6000
L6010
56.5V
-0.3V
0.7V
-1.3V
-0.7V
0.3V
1.3V
-56.5V
-0.7V
-55.9V
-56.5V
-0.6V
-0.6V
0.7V
55.9V
56.5V
0.6V
0.6V
0V 0V
0V
0V
56.5V
56.5V
-0.3V
0.7V
-1.3V
-0.7V
0.3V
1.3V
-56.5V
-0.7V
-55.9V
-56.5V
-0.6V
-0.6V
0.7V
55.9V
56.5V
0.6V
0.6V
0V 0V
0V
0V
56.5V
56.5V
-0.3V
0.7V
-1.3V
-0.7V
0.3V
1.3V
-56.5V
-0.7V
-55.9V
-56.5V
-0.6V
-0.6V
0.7V
55.9V
56.5V
0.6V
0.6V
0V 0V
0V
0V
56.5V
C6022
10/160
C6021
10/160
C6020
10/160
C6902
15000/71
C6901
15000/71
C6521
4.7/100
C6511
4.7/100
C6520
4.7/100
C6510
4.7/100
R6142
22K
R6152
4.7K
R6272
2.2
(1/2W)
R6282
2.2
(1/2W)
R6192
47K
R6202
47K
R6212
47K
R6132
8.2
(1W)
R6082
10
(1/2W)
R6092
10
(1/2W)
R6162
33K
R6062
120
R6032
1.5K
R6012
4.7K
R6112
10K
R6052
2.7K
R6262
18
(1/2W)
R6232
120
(1/2W)
R6242
120
(1/2W)
R6072
82
(1/2W)
R6252
18
(1/2W)
R6022
3.3K
R6141
22K
R6151
4.7K
R6271
2.2
(1/2W)
R6281
2.2
(1/2W)
R6191
47K
R6201
47K
R6211
47K
R6131
8.2
(1W)
R6081
10
(1/2W)
R6091
10
(1/2W)
R6161
33K
R6061
120
R6031
1.5K
R6011
4.7K
R6111
10K
R6051
2.7K
R6261
18
(1/2W)
R6231
120
(1/2W)
R6241
120
(1/2W)
R6071
82
(1/2W)
R6251
18
(1/2W)
R6021
3.3K
R6140
22K
R6150
4.7K
R6270
2.2
(1/2W)
R6280
2.2
(1/2W)
R6190
47K
R6200
47K
R6210
47K
R6130
8.2
(1W)
R6080
10
(1/2W)
R6090
10
(1/2W)
R6160
33K
R6060
120
R6030
1.5K
R6010
4.7K
R6110
10K
R6050
2.7K
R6260
18
(1/2W)
R6230
120
(1/2W)
R6240
120
(1/2W)
R6070
82
(1/2W)
R6250
18
(1/2W)
R6020
3.3K
R6704
47K
R6702
10K
R6701
22K
R6521
0.22
(1/2W)
R6511
0.22
(1/2W)
R6520
0.22
(1/2W)
R6510
0.22
(1/2W)
-B1 NF
+B1 NF
EB+
EB-
E
ENF
ENF
B+
EB-
ENF
ENF
B+
EB-
+B1 +B1
E
-B1
PRO
DCDET
FANDET
VOLH
E
Q6000-06,Q6010-6016 2SC1740S-R,S
Q6020-22 KTA1267-GR OR 2SA933S-R,S OR 2SA1048-GR
Q6022-26 2SA1015-GR,Y
Q6030-32 KTC-3206-Y,O OR 2SC2229-Y,O
Q6033-36 KTD2061-Y OR 2SC5171
Q6040-42 KTA1024-Y,O OR 2SA949-Y,O
Q6043-46 KTB1369-Y OR 2SA1930
Q6050-56 2SC5359-O,R
Q6060-66 2SA1987-O,R
Q6070-76 2SC2631-R,S
Q6090-92 KTB1369-Y OR 2SA1930
Q6100-02 KTD2061-Y OR 2SC5171
Q6703
KTA1268-GR,BL OR 2SA992-E,F
C
R
L
w
w
w
.
x
i
a
o
y
u
1
6
3
.
c
o
m
Q
Q
3
7
6
3
1
5
1
5
0
9
9
2
8
9
4
2
9
8
T
E
L
1
3
9
4
2
2
9
6
5
1
3
9
9
2
8
9
4
2
9
8
0
5
1
5
1
3
6
7
3
Q
Q
TEL 13942296513 QQ 376315150 892498299
TEL 13942296513 QQ 376315150 892498299
http://www.xiaoyu163.com
http://www.xiaoyu163.com

Other manuals for Integra DTR-8.2

Related product manuals