EasyManua.ls Logo

Integra DTR-8.2 - Page 49

Integra DTR-8.2
89 pages
Print Icon
To Next Page IconTo Next Page
To Next Page IconTo Next Page
To Previous Page IconTo Previous Page
To Previous Page IconTo Previous Page
Loading...
DTR-8.2
U8
U10
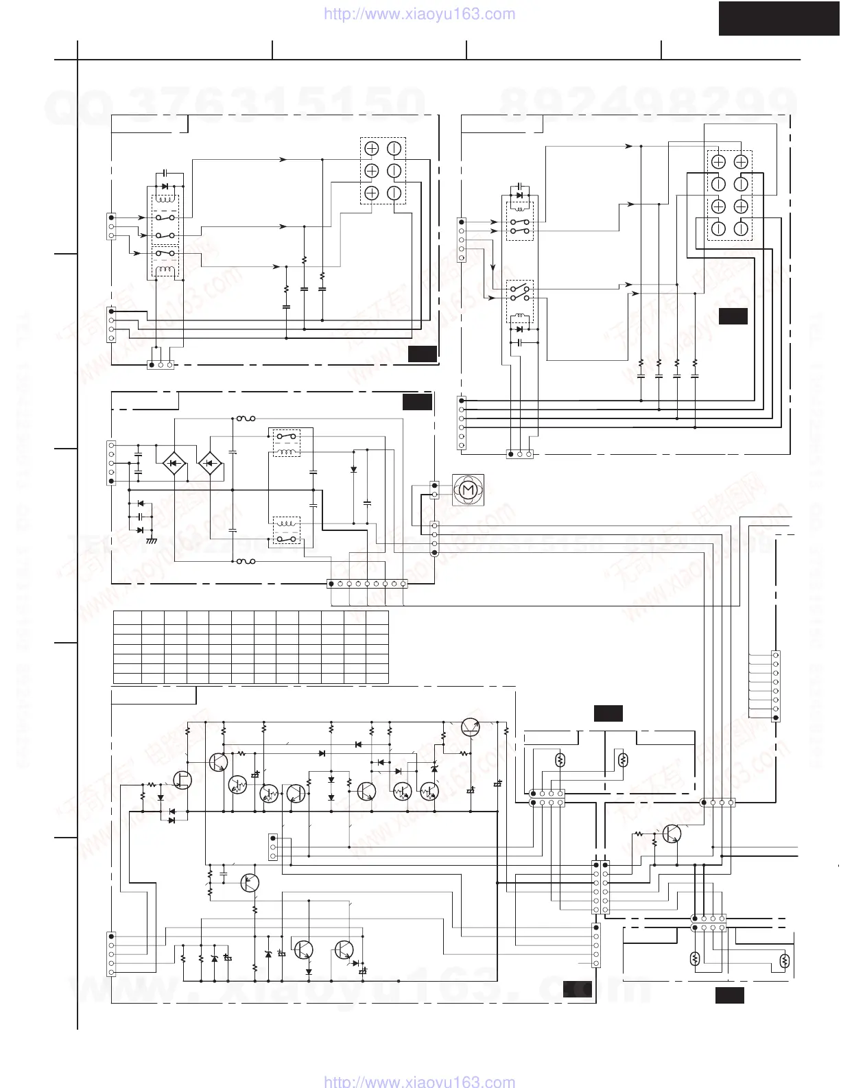
SCHEMATIC DIAGRAM 7-1 Power supply, Fan control & Speaker terminal sections
U11
U13
U12
U29
A
1
2
3
4
5
BCD
R6836
8.2 (1W)
R6834
8.2
(1W)
R6835
8.2 (1W)
R6833
8.2
(1W)
C6836
103J
C6835
103J
C6834
103J
C6833
103J
SBL/Z2L
SBR/Z2R
GND
GND
GND
24.9V
0.1V
24.9V
0V
0V
0V
24.9V
22.3V
0.2V
24.9V
0.1V
22.3V
21.8V20.1V
0V
0.1V
0.1V
0V
0.1V3.3V
0V
0.7V
0.2V
Q6701
Q5606
KTC2026-GR,Y
2SD2394-F,E
Q6901
2SC1740S
2SC2458
KTC3199
Q5603
Q5603,7: 2SC1740S
OR 2SC2458
OR KTC3199
Q5607
Q5602
2SC1740S
OR 2SC2458
Q5602:
OR KTC3199
Q6702
2SC1740S 2SC2458 KTC3199
Q6701,6702:
R5612
100
(1/2W)
R5615
10K
R5601
33K
R5602
1M
R6902
4.7K
R6830
8.2
(1W)
R6901
4.7K
R6708
33K
R5607
2.7K
R5606
10K
R5609
10K
R5608
10K
R5605
100
R5614
2.7K
R5604
10K
R6706
22K
R6709
5.6K
R6710
18K
R5603
100K
R6705
18K
R6707
10K
R5613
4.7
(1/2W)
R6831
8.2
(1W)
R6832
8.2
(1W)
C6701
100/6.3
C5604
100/35
C5603
100/35
C5602
100/35
C6706
100/6.3
C6704
1/50
Q6704
2SA933S 2SA1048
KTA1267
C6916
334J
/100
C6915
334J
/100
C6911
334J
C6910
334J
C6909
334J/100
C6908
334J/100
C6912
103Z
C6830
103J
C6831
103J
C6832
103J
D6901
D6902
D6901,2:
GP1004003E
RL1N4003
1SR139-100
D6701
D5601
D6906
D6600
D5609
D5604
D5605
D5606
D5607
D5610
D5603
D5602-5603:
GP1004003E
RL1N4003
1SR139-100
D5602
D6702
D6603
D6605
D6904
RBV-1506
D15XB60
D6903
RBV-1506
D15XB60
RL6902
RL6901
RL6602
C6903
223J
C6600
103Z
C6705
223Z
C6603
103Z
C6605
103Z
P6906
P6800
SPEAKERS
L
R
C
RL6600
P6802
SPEAKERS
SL
SR
D5611
MTZJ13C
D6704
MTZJ5.1B
D6703
MTZJ5.1B
F6901
F6902
RL6603
RL6605
P6952A
TO NAAF-7250
(SCH.6-2)
P6931
TO NAAF-7250
(SCH.6-2)
P7701B
TO NADG-7226
(SCH.2-3)
P6812E
TO NAAF-7250
(SCH.6-2)
P6951
P6008A
TO NAAF-7250
(SCH.6-2)
P6401
COM
TH1
TH2
P6830
TO NAETC-7272
(SCH.9)
P6832
TO NAETC-7272
(SCH.9-2)
P6810D
TO NAAF-7250
(SCH.6-2)
P9503A
P9503
P6008B
TO NAAF-7250
(SCH.6-2)
Q5601
2SK365-GR
P9505A
R5653
PTH9M04BC
R5652
PTH9M04BF
222TS2F333
R5654
PTH9M04BC
R5651
PTH9M04BF
222TS2F333
P9505
FAN
+
-
Q5609
Q5608,9:
DTC144ES
OR RN1204
OR KRC104M
Q5605
DTC144ES
OR RN1204
OR KRC104M
Q5604
DTC144ES
OR RN1204
OR KRC104M
Q5608
P9501
JL6953B
JL9504B
JL6933B
JL6933A
JL9504A
JL6953A
LSP
LSSP
RSP
RSSP
CSP
LSBSP
RSBSP
LSPE
RSPE
CSPE
LSSPE
RSSPE
LSBSPE
RSBSPE
+B1
GND
-B1
FAN
+24V
S1RL
S1H1
S1H2
GND
S1L1
S1L2
S1RL
+24V
FAN
+24V
SEC1H
RLGND
PRO FAN
TH2
TH1
VOLH
PRO
PRO
PROTCTTHM
DCDET
SEC1H
FANDET VOLH
VOLH
NC
FAN CONTROL
SIGNAL TEMP Q5601 Q5602 Q5603 Q5604 Q5605 Q5607 Q5608 Q5609
NO LOW ON OFF OFF ON ON OFF ON
YES LOW OFF ON OFF OFF ON OFF ON
NO MID ON OFF ON OFF ON OFF ON
YES MID OFF ON ON OFF OFF OFF ON
NO HIGH ON OFF ON OFF OFF ON OFF
YES HIGH OFF ON ON OFF OFF ON
OFF
Q5606 FAN
OFF 0V OFF
OFF 12V LOW
OFF 12V LOW
OFF 22V HI
ON 22V HI
ON 22V HI
12A/250V
RED
ORG
RED
ORG
BLK
NAPS-7234
NAETC-7258
NAETC-7259
NAETC-7240NAETC-7239
NAETC-7238
NAETC-7237
NAETC-7236
WHT
GRY
GRY
BLK
BRN
BRN
BLU
BLU
FAN CONTROL
R5616
1.2K
(2W)
12A/250V
w
w
w
.
x
i
a
o
y
u
1
6
3
.
c
o
m
Q
Q
3
7
6
3
1
5
1
5
0
9
9
2
8
9
4
2
9
8
T
E
L
1
3
9
4
2
2
9
6
5
1
3
9
9
2
8
9
4
2
9
8
0
5
1
5
1
3
6
7
3
Q
Q
TEL 13942296513 QQ 376315150 892498299
TEL 13942296513 QQ 376315150 892498299
http://www.xiaoyu163.com
http://www.xiaoyu163.com

Other manuals for Integra DTR-8.2

Related product manuals