EasyManua.ls Logo

Intergas Xclusive 30 - 7.1.10 Y-Plan Wiring Diagram

Intergas Xclusive 30
92 pages
Print Icon
To Next Page IconTo Next Page
To Next Page IconTo Next Page
To Previous Page IconTo Previous Page
To Previous Page IconTo Previous Page
Loading...
28
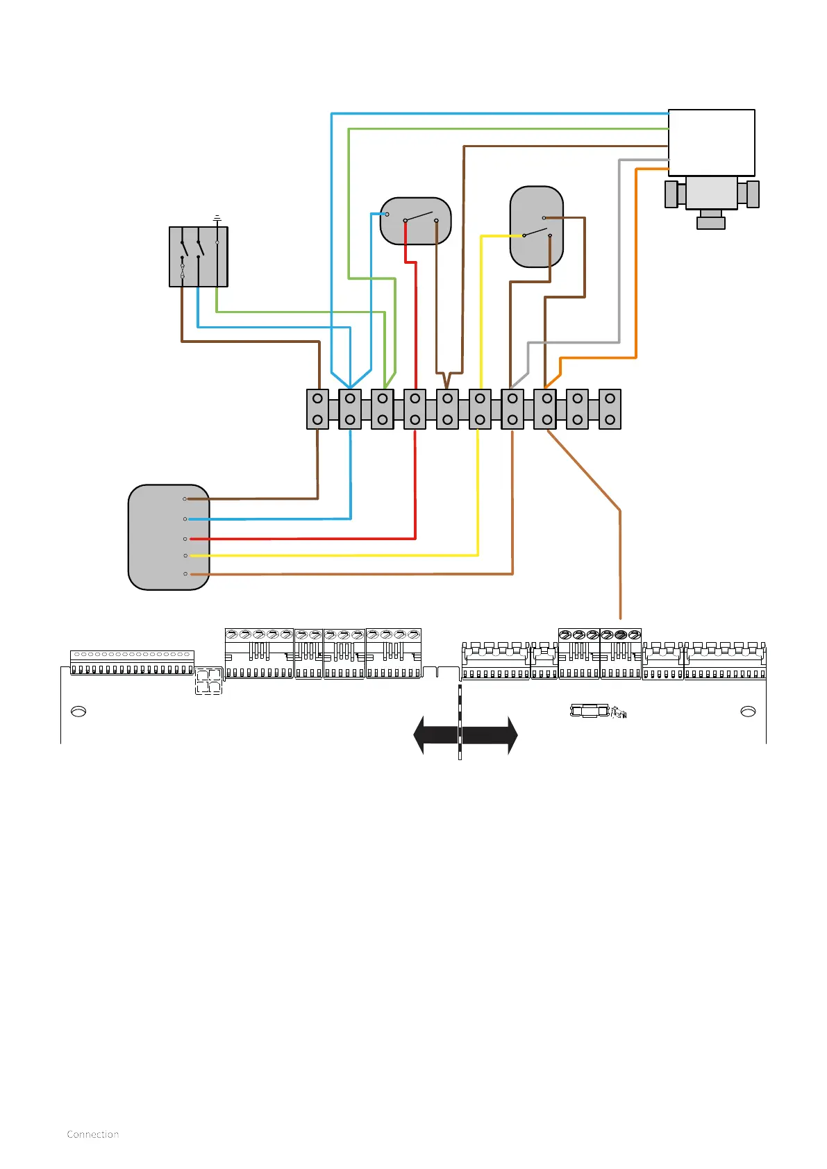
7.1.10 Y-Plan wiring diagram
X15
(24V=)
X14
X13
(24V =)
X12
(24V =)
X11
(24V =)
N/A
X10
(24V =)
N/A
X8
(230V ~)
X5
(230V ~)
X4
(230V ~)
X3
(230V ~)
X2
(230V ~)
X1
(230V ~)
F1 (3,15 AT)
FUSE
23 1
24V=
230V
Mid position
Zone Valve
V4073A
Room
thermostat
230Vac 3amp
Switched
Fused Spur
Wiring Centre
L
N
HTG on
L N
Cylinder
thermostat
DHW on
2
1
3
1
C
1 2
3 4 5 6 7 8 9 10
DHW o
2
Twin channel
Programmer
EARTH
S/L to BOILER
LIVE
M/V S/L
NEUTRAL
NEUTRAL
LIVE
DHW S/L
HTG S/L
LIVE
SUPPLY
S/L LIVE to BOILER
Note:-
With all wiring diagrams when using a digital type room thermostat the Neutral wire from the
wiring centre (2) to room thermostat (2) will not be required.

Table of Contents