EasyManua.ls Logo

Intermatic PE953 - Power To;From PE653 RC with P5043 ME

Intermatic PE953
50 pages
Print Icon
To Next Page IconTo Next Page
To Next Page IconTo Next Page
To Previous Page IconTo Previous Page
To Previous Page IconTo Previous Page
Loading...
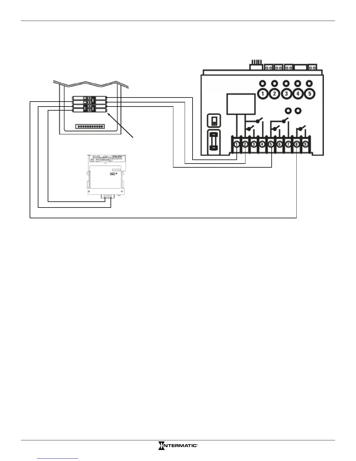
21 Installing — Ratings, 120V/240V Wiring, Power In/Out
Power to/from PE653RC with P5043ME
NOTE: Contact Tech Support at Intermatic for additional diagrams.
Hot Line #1
Hot Line #1
Hot Line #1
Hot Line #2
Hot Line #2 Black
P5043ME
Hot Line #1 Red
RECEIVER
POWER
SUPPLY
NEUTRAL BUS
120V
240V
2-Pole Breaker
Figure 3-7. Wiring 240V incoming power to PE653RC and P5043ME.

Table of Contents

Related product manuals