EasyManua.ls Logo

Intermatic PE953 - Page 27

Intermatic PE953
50 pages
Print Icon
To Next Page IconTo Next Page
To Next Page IconTo Next Page
To Previous Page IconTo Previous Page
To Previous Page IconTo Previous Page
Loading...
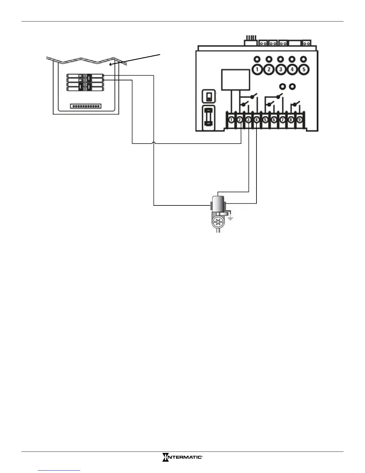
27Filter Pump Installations
Receiver
Power
Supply
120V
240V
Neutral Bus
Hot Line #1
Hot Line #2
High Speed #1
Low Speed #2
Common
2-Pole Breaker
Figure 4-7. Wiring Circuits #1 & #2 to a 240 VAC 2-Speed Pump for PE653RC.

Table of Contents

Related product manuals