EasyManua.ls Logo

INVT GD100-030G-4-PV - Appendix C Power Frequency & PV Switching Solution; C.1 Solution Introduction

INVT GD100-030G-4-PV
89 pages
Print Icon
To Next Page IconTo Next Page
To Next Page IconTo Next Page
To Previous Page IconTo Previous Page
To Previous Page IconTo Previous Page
Loading...
Goodrive100-PV Series Solar Pumping VFD Power frequency & PV switching solution
73
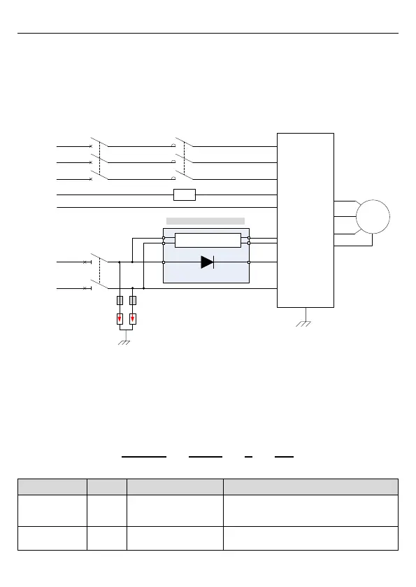
Appendix C Power frequency & PV switching solution
C.1 Solution introduction
Generally, VFDs do not allow simultaneous connection to power frequency and PV. If such
simultaneous connection is required, switching control circuit must be configured externally.
The figure below shows the solution for reference.
AC Input
(+)
S
T
AC breaker (QF1)
AC Contactor (KM1)
U
V
W
SPD(Surge Protection Device)
Fuse(FU)
M
R
S
T
R
(+)
(-)
GD100-PV
VFD
B
C
A
+
-
Diode(D)
PV+
PV-
PV+
S
COM
HDI
COM
PV Input
DC breaker (QF2)
Voltage Detection Circuit
RO1B
RO1C
220V
~
KM1
QH100-PV Switching Module
A1
A2
PE
Figure C-1 VFD power frequency & PV switching solution
See C.1.1 for specifications and model selection of QH100-PV switching module, whose necessary
low-voltage apparatuses include QF1, KM1, QF2, FU, and SPD. C.1.2 details the models.
C.1.1 QH100-PV switching module
C.1.1.1 Models and specifications
QH100 055A 4 PV
Key
Sign
Description
Remarks
Product
abbreviation
Product
abbreviation
QH100 series power frequency&PV
switching module
Rated
VFD power
055A: applies to VFDs ≤15kW

Other manuals for INVT GD100-030G-4-PV

Related product manuals