EasyManua.ls Logo

IOtech 640 - Features of the dynamic signal conditioning circuit; IOtech 640 and 650 Series Block Diagram

IOtech 640
100 pages
Print Icon
To Next Page IconTo Next Page
To Next Page IconTo Next Page
To Previous Page IconTo Previous Page
To Previous Page IconTo Previous Page
Loading...
6-2 Analog Signals 878893 640 & 650 Series
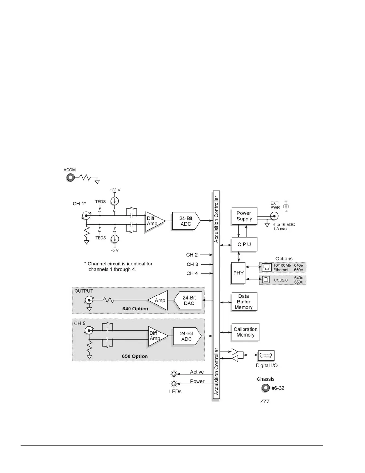
Features of the dynamic signal conditioning circuit:
o current source for transducer biasing (IEPE)
o detection of a transducer fault
o AC or DC coupling
o ±10 V range (IOtech 640 models)
o ±40 V range (IOtech 650 models)
o anti-aliasing filters: 3-pole low pass filter in hardware;
programmable digital filtering via software
o pseudo-differential inputs
o support for TEDS (Transducer Electronic Data Sheet), requires eZ-Analyst
o any analog input channel can serve as a tach input
o channel-to-channel phase matching
Signal parameters are independently controlled in software on a per channel basis.
For 640e and 640u, the conditioning circuit includes a built-in programmable voltage excitation source.
This source can be used to stimulate dynamic systems for transfer function measurements or serve as a test
signal for the input channels.
IOtech 640 and 650 Series Block Diagram
Comments pertaining to the diagram are included in Chapter 2.

Related product manuals