EasyManua.ls Logo

iPower 1492007 REV00 - Circuit Diagram

iPower 1492007 REV00
40 pages
Print Icon
To Next Page IconTo Next Page
To Next Page IconTo Next Page
To Previous Page IconTo Previous Page
To Previous Page IconTo Previous Page
Loading...
Page 33
B:BLACK
Br:BROWN
G:GREEN
Gy:GRAY
L:BLUE
O:ORANGE
R:RED
W:WHITE
Y:YELLOW
P:PINK
B/W:BLACK/WHITE
Y/G:YELLOW/GREEN
R/W:RED/WHITE
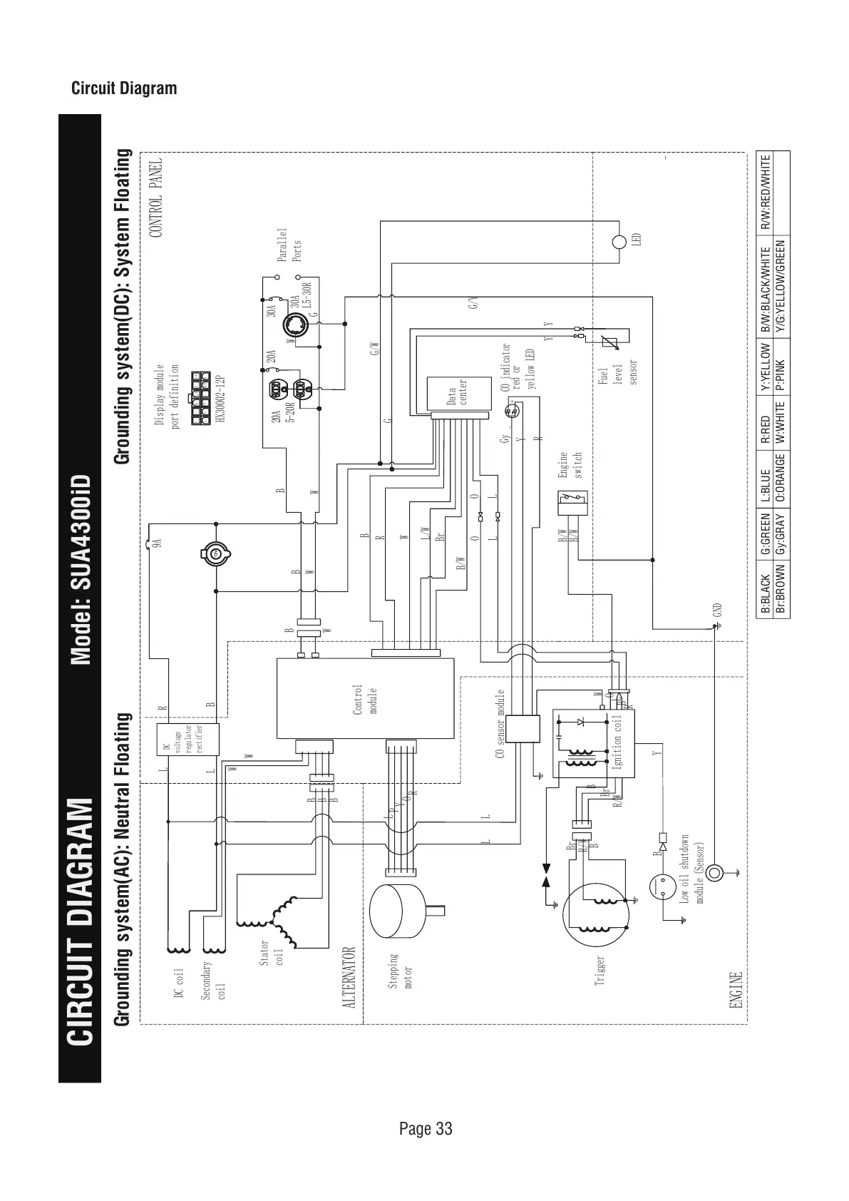
CIRCUIT DIAGRAM
Model: SUA4300iD
Circuit Diagram
Grounding system(DC): System Floating
W
W
B
B
B
L
P
Y
R
Br
R/W
B
B
Y
G/Y
L
O
B/W
B
W
B
Br
R/W
L
O
R
B
B/W
Control
module
O
B
W
Br
R
B
L/W
W
Data
center
L
O
B
W
20A
20A
5-20R
L
L
30A
30A
L5-30R
W
G
R
B
DC
voltage
regulator
rectifier
Gy
Y
R
-
+
CO sensor module
W
LL
Y Y
B/W
G/W
G
Br
L/W
W
L
O
HX30002-12P
R
BY
B/W
Y
LED
G/W
G
CO indicator
red or
yellow LED
Secondary
coil
DC coil
Stator
coil
Stepping
motor
Trigger
Low oil shutdown
module
Ignition coil
(Sensor)
GND
Engine
switch
Fuel
level
sensor
Parallel
Ports
Display module
port definition
CONTROL PANEL
ENGINE
ALTERNATOR
9A
Grounding system(AC): Neutral Floating
12V

Related product manuals